奕帆工业
推广享折扣赚佣金
首页
全部商品
常见问题
注册/登录
主页
顶部
推广
咨询
新建文本文档
发布时间:2025-05-21 09:35
预览信息
详细说明
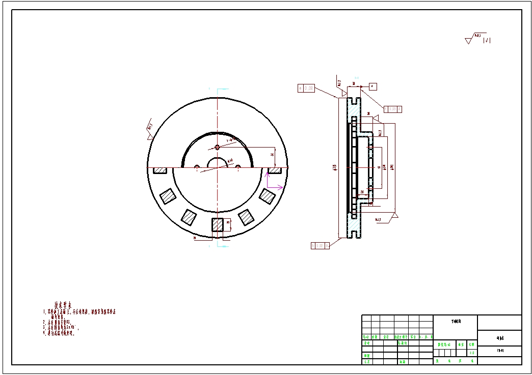
说+装(a1)+2零件(A2制动盘+制动钳)
文件列表
#
名称
状态
操作
1
PDF预览文件
可下载
PDF文件1
2
11.docx
已完成并打包
请下载最下面的压缩包
3
制动盘.DWG
已完成并打包
请下载最下面的压缩包
4
制动钳.DWG
已完成并打包
请下载最下面的压缩包
5
通风盘滑动钳盘式制动器.DWG
已完成并打包
请下载最下面的压缩包
所有文件
可下载
输入提取码
或支付(30.0元)
购买
外部工具
在线DWG(CAD文件)转PDF工具