"a"= 142.393820090621 "b"= 3.28766672204915 "c"= 12 "d"= 5.28 "e"= 52.0 "f"= 4.8 "g"= 4.0 "h"= 49.1669659311645 "i"= 10.5207843138744 "j"= 13.8084510359235 "k"= 7.23311759182521 "l"= 44.0 "m"= 280.0 "n"= 4.8 "o"= 4.0 "p"= 264.745201167809 "q"= 79.4792156861256 "r"= 82.7668824081748 "s"= 76.1915489640765 "t"= 44.0 "u"= 40.8166632639171 "v"= 5.87500996769212 "w"= 8.75 "x"= 4.62 "y"= 42.0 "z"= 4.2 "a1"= 3.5 "b1"= 39.4670900730082 "c1"= 30.9637565320735 "d1"= 36.8387664997656 "e1"= 25.0887465643814 "f1"= 11.0 "g1"= 70.0 "h1"= 4.2 "i1"= 3.5 "j1"= 65.7784834550136 "k1"= 59.0362434679265 "l1"= 64.9112534356186 "m1"= 53.1612335002344 "n1"= 11.0 "o1"= 39.0 "p1"= 34.0 "q1"= 29.0 "r1"= 35.0 "s1"= 72.0 "t1"= 17.0 "u1"= 45.0 "v1"= 85.0 "w1"= 19.0 "x1"= 16.0 "y1"= 5.49778714378214 "z1"= 81.0 "a2"= 28.0 "b2"= 22.2 "c2"= 38.9 "d2"= 28.4 "e2"= 27.5 "f2"= 16.699 "L-g2"= 4.0 "L-h2"= 13.0 "L-i2"= 70.0 "L-j2"= 40.0 "L-k2"= 19.0 "L-l2"= 10.5207843138744 "L-m2"= 79.4792156861256 "L-n2"= 142.393820090621 "L-o2"= 8.8 "L-p2"= 3.5 "L-q2"= 12.0 "L-r2"= 20.0 "L-s2"= 0.0 "L-t2"= 20.0 "L-u2"= 30.9637565320735 "L-v2"= 59.0362434679265 "L-w2"= 40.8166632639171 "L-x2"= 7.7 "y2"= 63.0 "z2"= 26.25 "a3"= 34.15 "b3"= 39.0 "c3"= 53.0 "d3"= 98.6678893705862 "e3"= 141.067889370586 "f3"= 10.0 "g3"= 45 "h3"= 85 "i3"= 19.0 "j3"= 12.0 "k3"= 28.5 "l3"= 1.0
| # | 名称 | 状态 | 操作 |
|---|---|---|---|
| 1 | PDF预览文件 | 可下载 | PDF文件1 |
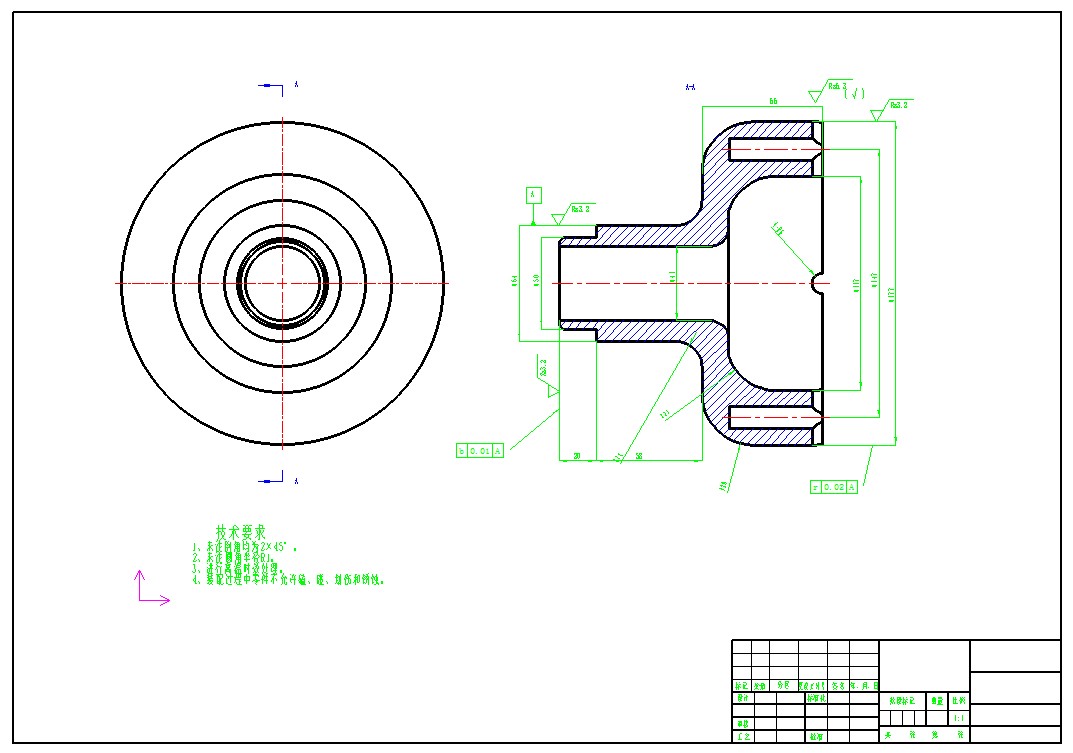
| 2 | 主减速器.DWG | 已完成并打包 | 请下载最下面的压缩包 |
| 3 | 主减速器.pdf | 已完成并打包 | 请下载最下面的压缩包 |
| 4 | 主减速器主动轮.DWG | 已完成并打包 | 请下载最下面的压缩包 |
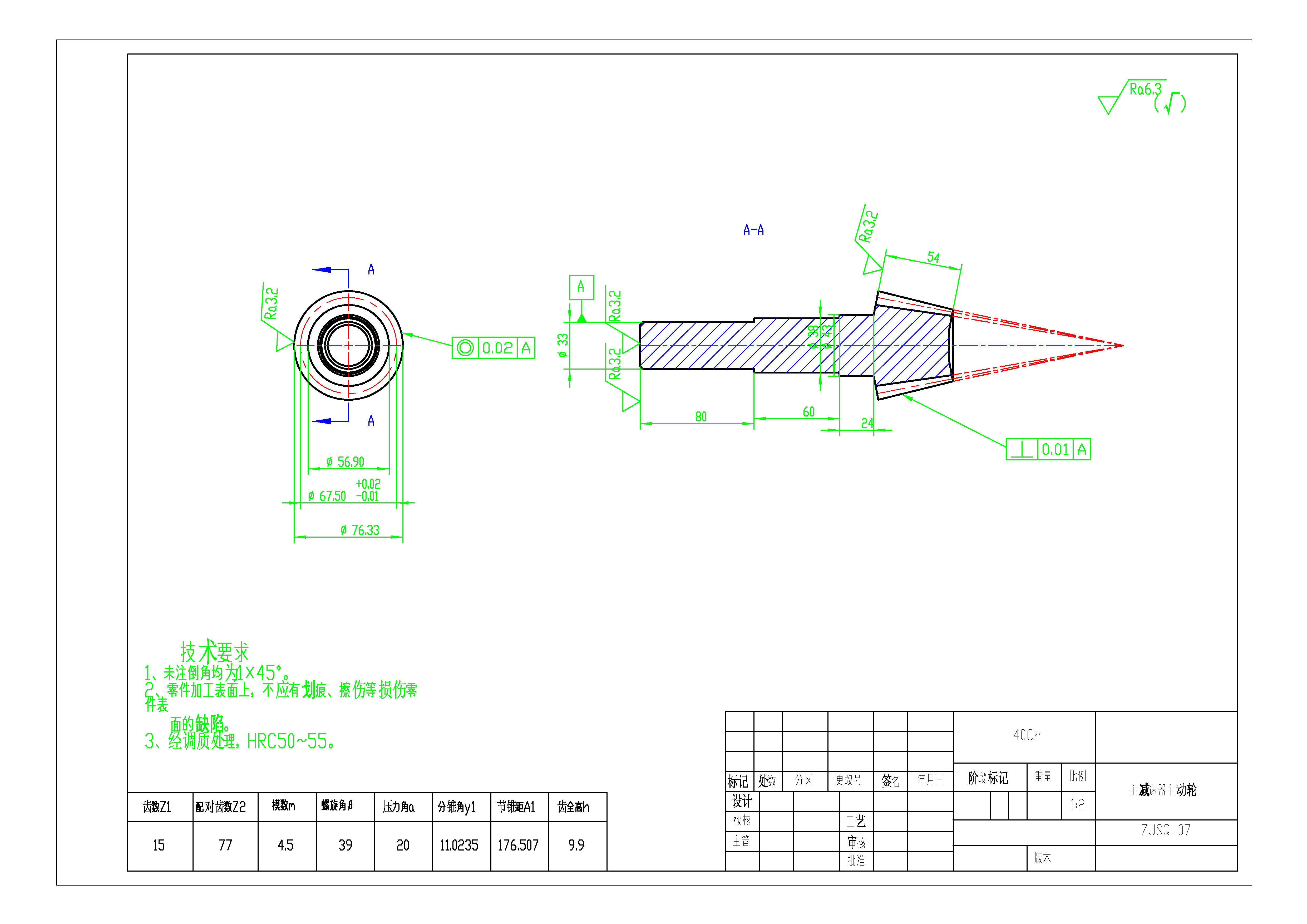
| 5 | 主减速器主动轮.pdf | 已完成并打包 | 请下载最下面的压缩包 |
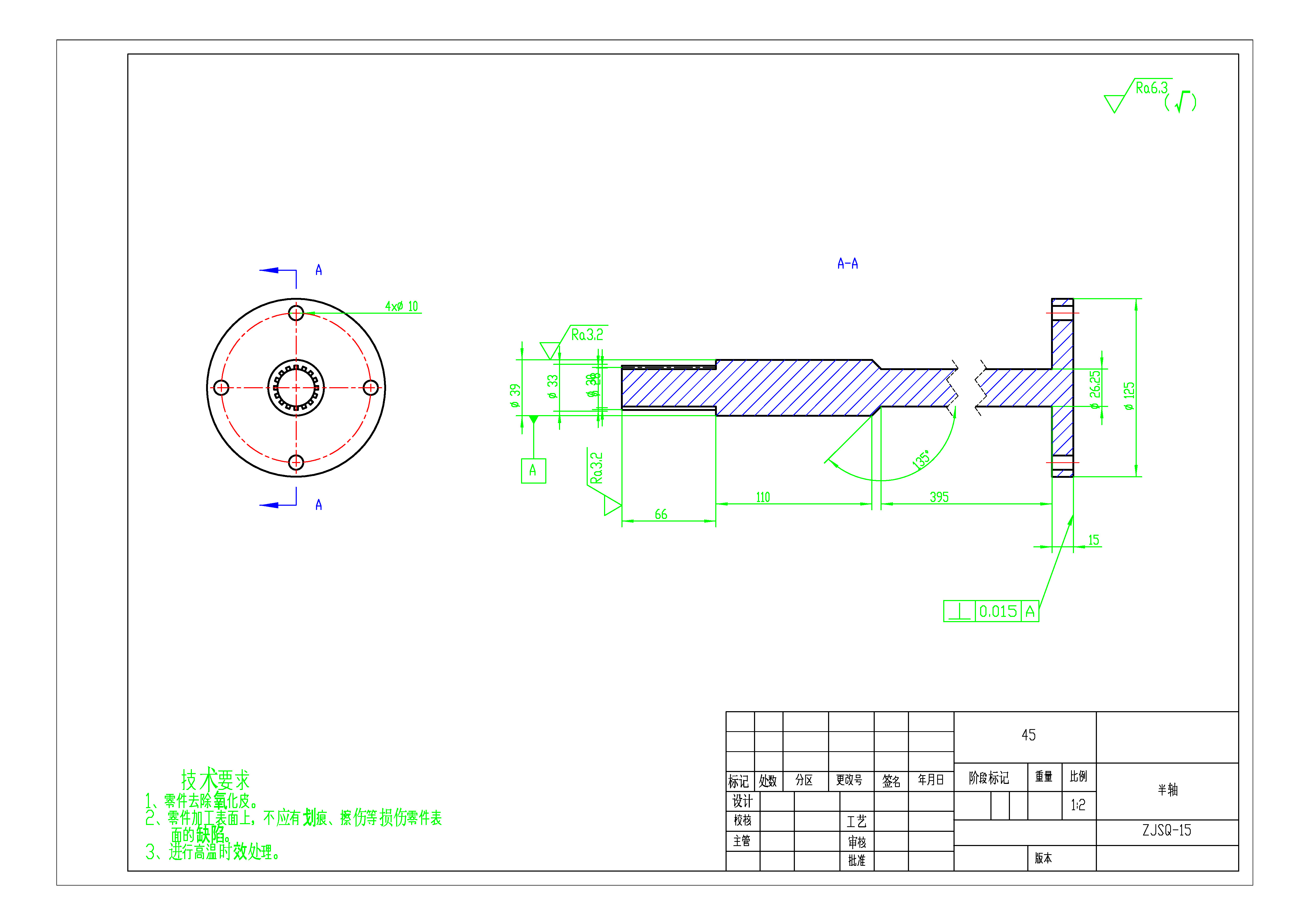
| 6 | 左半轴.DWG | 已完成并打包 | 请下载最下面的压缩包 |
| 7 | 左半轴.pdf | 已完成并打包 | 请下载最下面的压缩包 |
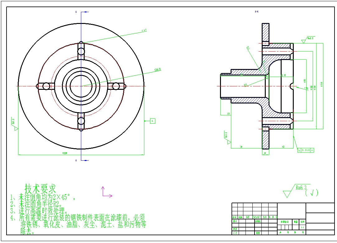
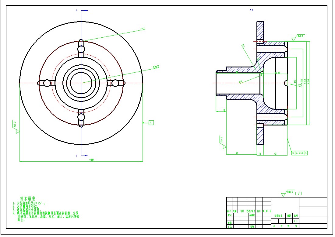
| 8 | 差速器右壳.DWG | 已完成并打包 | 请下载最下面的压缩包 |
| 9 | 差速器右壳.pdf | 已完成并打包 | 请下载最下面的压缩包 |
| 10 | 主减速器.DWG | 已完成并打包 | 请下载最下面的压缩包 |
| 11 | 主减速器.pdf | 已完成并打包 | 请下载最下面的压缩包 |
| 12 | 主减速器主动轮.DWG | 已完成并打包 | 请下载最下面的压缩包 |
| 13 | 主减速器主动轮.pdf | 已完成并打包 | 请下载最下面的压缩包 |
| 14 | 左半轴.DWG | 已完成并打包 | 请下载最下面的压缩包 |
| 15 | 左半轴.pdf | 已完成并打包 | 请下载最下面的压缩包 |
| 16 | 差速器左壳.DWG | 已完成并打包 | 请下载最下面的压缩包 |
| 17 | 差速器左壳.pdf | 已完成并打包 | 请下载最下面的压缩包 |
| 18 | 主减速器.DWG | 已完成并打包 | 请下载最下面的压缩包 |
| 19 | 主减速器.pdf | 已完成并打包 | 请下载最下面的压缩包 |
| 20 | 主减速器主动轮.DWG | 已完成并打包 | 请下载最下面的压缩包 |
| 21 | 主减速器主动轮.pdf | 已完成并打包 | 请下载最下面的压缩包 |
| 22 | 左半轴.DWG | 已完成并打包 | 请下载最下面的压缩包 |
| 23 | 差速器左壳.DWG | 已完成并打包 | 请下载最下面的压缩包 |
| 24 | 差速器左壳.pdf | 已完成并打包 | 请下载最下面的压缩包 |
| 所有文件 | 可下载 | ||
| 外部工具 | 在线DWG(CAD文件)转PDF工具 |