说+装+5零件 2份 第一份是整体的 ,第2份是断开的 "辰暮: 驱动形式:4x2 装载质量:8.0t 总质量:16t 发动机最大功率及转速:Pemax141kw Np2500r/min 发动机最大转矩及转速:Temax593kw Nt1500r/min 主减速比:5.92 轮胎型号:12.00-20 变速器传动比低档:9.01 高档:1.0 最高车速:86km/h" 这是整体的是吧 驱动形式:4x2 装载质量:5.0t 总质量:9.445t 发动机最大功率及转速:Pemax99kw Np3000r/min 发动机最大转矩及转速:Temax373kw Nt1200r/min 主减速比:6.25 轮胎型号:9.00-2012层级 变速器传动比低档:7.640 高档:1.0 最高车速:90km/h 断开的
| # | 名称 | 状态 | 操作 |
|---|---|---|---|
| 1 | 主减速器主动轮.DWG | 已完成并打包 | 请下载最下面的压缩包 |
| 2 | 主减速器从动轮.DWG | 已完成并打包 | 请下载最下面的压缩包 |
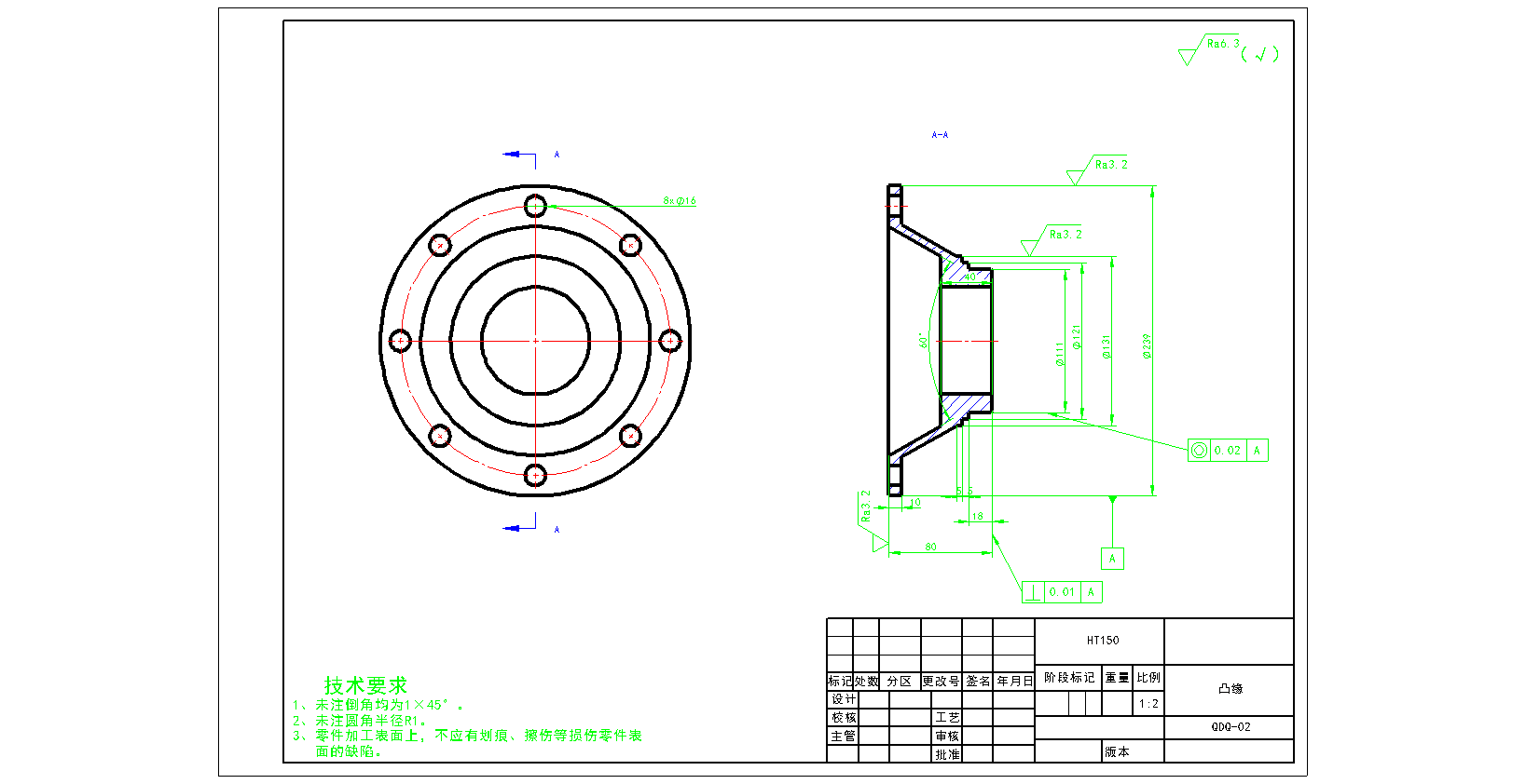
| 3 | 凸缘.DWG | 已完成并打包 | 请下载最下面的压缩包 |
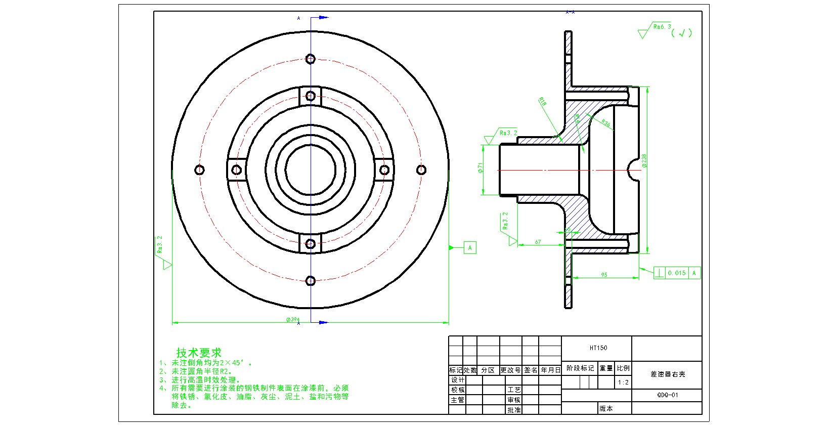
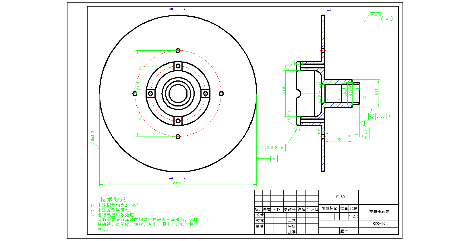
| 4 | 差速器左壳.DWG | 已完成并打包 | 请下载最下面的压缩包 |
| 5 | 整体式驱动桥 (1).docx | 已完成并打包 | 请下载最下面的压缩包 |
| 6 | 行星齿轮.DWG | 已完成并打包 | 请下载最下面的压缩包 |
| 7 | 驱动桥.DWG | 已完成并打包 | 请下载最下面的压缩包 |
| 8 | 主减速器从动轮.DWG | 已完成并打包 | 请下载最下面的压缩包 |
| 9 | 半轴.DWG | 已完成并打包 | 请下载最下面的压缩包 |
| 10 | 半轴齿轮.DWG | 已完成并打包 | 请下载最下面的压缩包 |
| 11 | 差速器左壳.DWG | 已完成并打包 | 请下载最下面的压缩包 |
| 12 | 断开式驱动桥 (1).docx | 已完成并打包 | 请下载最下面的压缩包 |
| 13 | 行星齿轮.DWG | 已完成并打包 | 请下载最下面的压缩包 |
| 14 | 驱动桥.DWG | 已完成并打包 | 请下载最下面的压缩包 |
| 所有文件 | 可下载 | ||
| 外部工具 | 在线DWG(CAD文件)转PDF工具 |