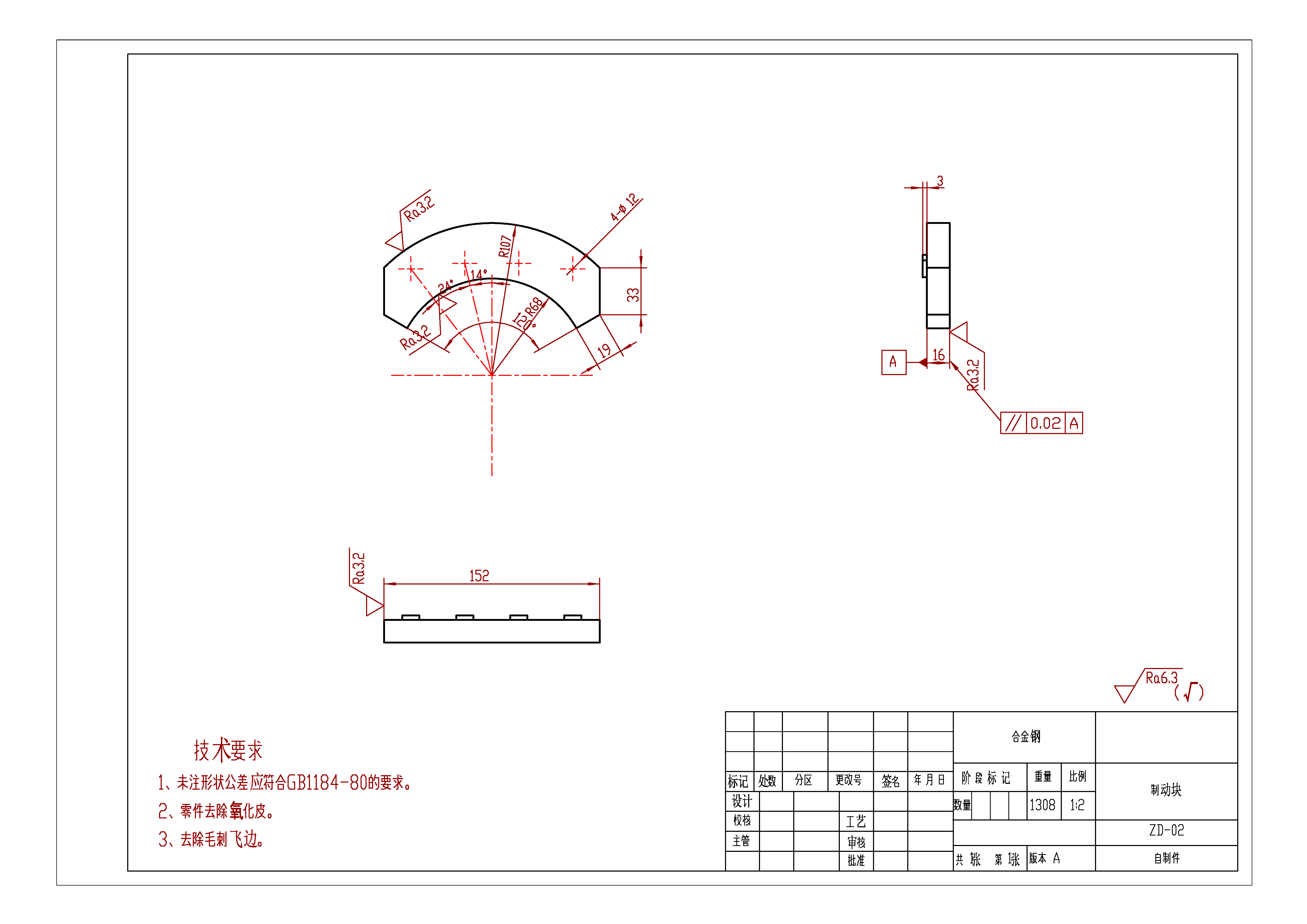
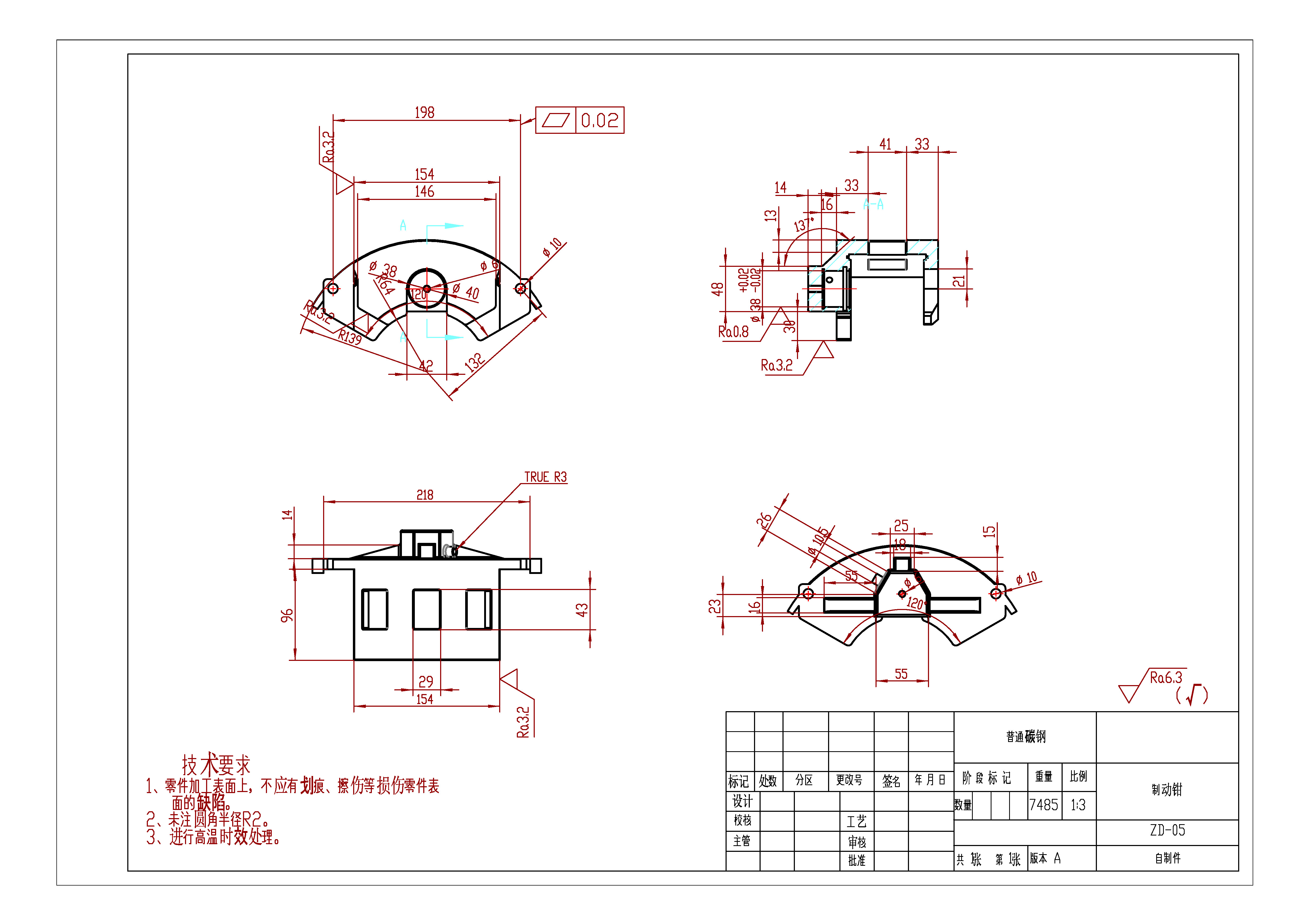
202500506-30-盘式制动器 盘式制动器装配图 +3个零件 制动盘 制动块 制动钳 +一个总体设计装配图 整车自重: 3305kg 发动机额定功率: 32.4kw 最大扭矩: 142N.m 轮胎规格(前/后) 2-7.00-12-12PR/2-6.00-9-10PR 轮胎直径(前轮/后轮): 676/540mm 轮距(前轮/后轮): 970/970mm 轴距: 1600mm 额定转速: 2400r/min 制动力矩: 3300N.m 制动盘直径D: 242mm 制动盘厚度h: 25mm 摩擦衬块内半径R1与外半径R2: 80mm 120mm 摩擦衬块工作面具A: 63平方毫米 踏板行程: 70mm 摩擦衬片: 14mm
| # | 名称 | 状态 | 操作 |
|---|---|---|---|
| 1 | PDF预览文件 | 可下载 | PDF文件1 |
| 2 | 11.docx | 已完成并打包 | 请下载最下面的压缩包 |
| 3 | 制动块.DWG | 已完成并打包 | 请下载最下面的压缩包 |
| 4 | 制动块.pdf | 已完成并打包 | 请下载最下面的压缩包 |
| 5 | 制动盘.DWG | 已完成并打包 | 请下载最下面的压缩包 |
| 6 | 制动盘.pdf | 已完成并打包 | 请下载最下面的压缩包 |
| 7 | 制动钳.DWG | 已完成并打包 | 请下载最下面的压缩包 |
| 8 | 制动钳.pdf | 已完成并打包 | 请下载最下面的压缩包 |
| 9 | 通风盘滑动钳盘式制动器.DWG | 已完成并打包 | 请下载最下面的压缩包 |
| 所有文件 | 可下载 | ||
| 外部工具 | 在线DWG(CAD文件)转PDF工具 |