202500510-11-数据改了 我需要你们用D=300,d=190这个 202500507-10-离合器未付
| # | 名称 | 状态 | 操作 |
|---|---|---|---|
| 1 | PDF预览文件 | 可下载 | PDF文件1 |
| 2 | 11.docx | 已完成并打包 | 请下载最下面的压缩包 |
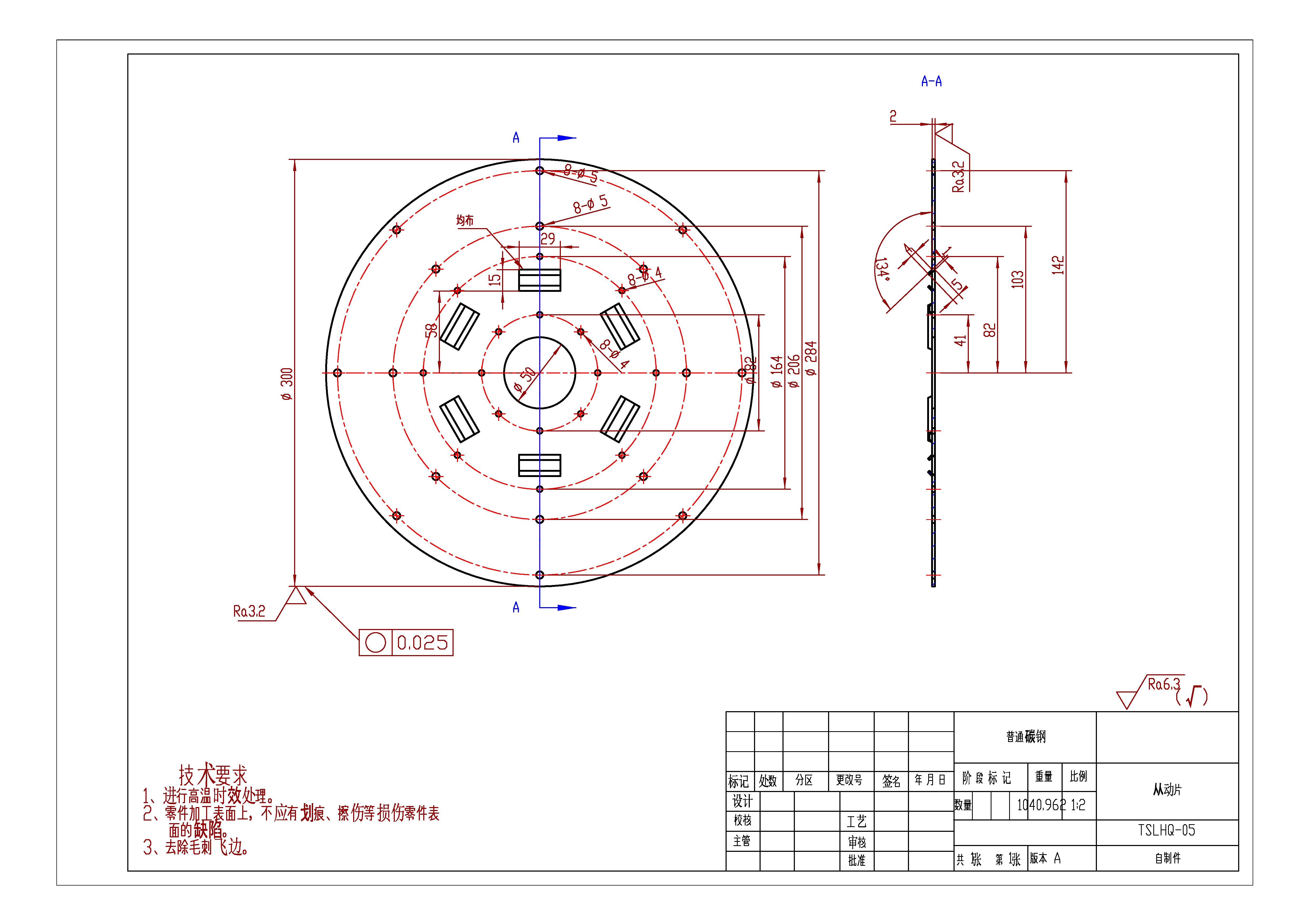
| 3 | 从动片.DWG | 已完成并打包 | 请下载最下面的压缩包 |
| 4 | 从动片.pdf | 已完成并打包 | 请下载最下面的压缩包 |
| 5 | 压盘.DWG | 已完成并打包 | 请下载最下面的压缩包 |
| 6 | 压盘.pdf | 已完成并打包 | 请下载最下面的压缩包 |
| 7 | 推式单片离合器无环.DWG | 已完成并打包 | 请下载最下面的压缩包 |
| 8 | 推式单片离合器无环.pdf | 已完成并打包 | 请下载最下面的压缩包 |
| 9 | 摩擦片.DWG | 已完成并打包 | 请下载最下面的压缩包 |
| 10 | 摩擦片.pdf | 已完成并打包 | 请下载最下面的压缩包 |
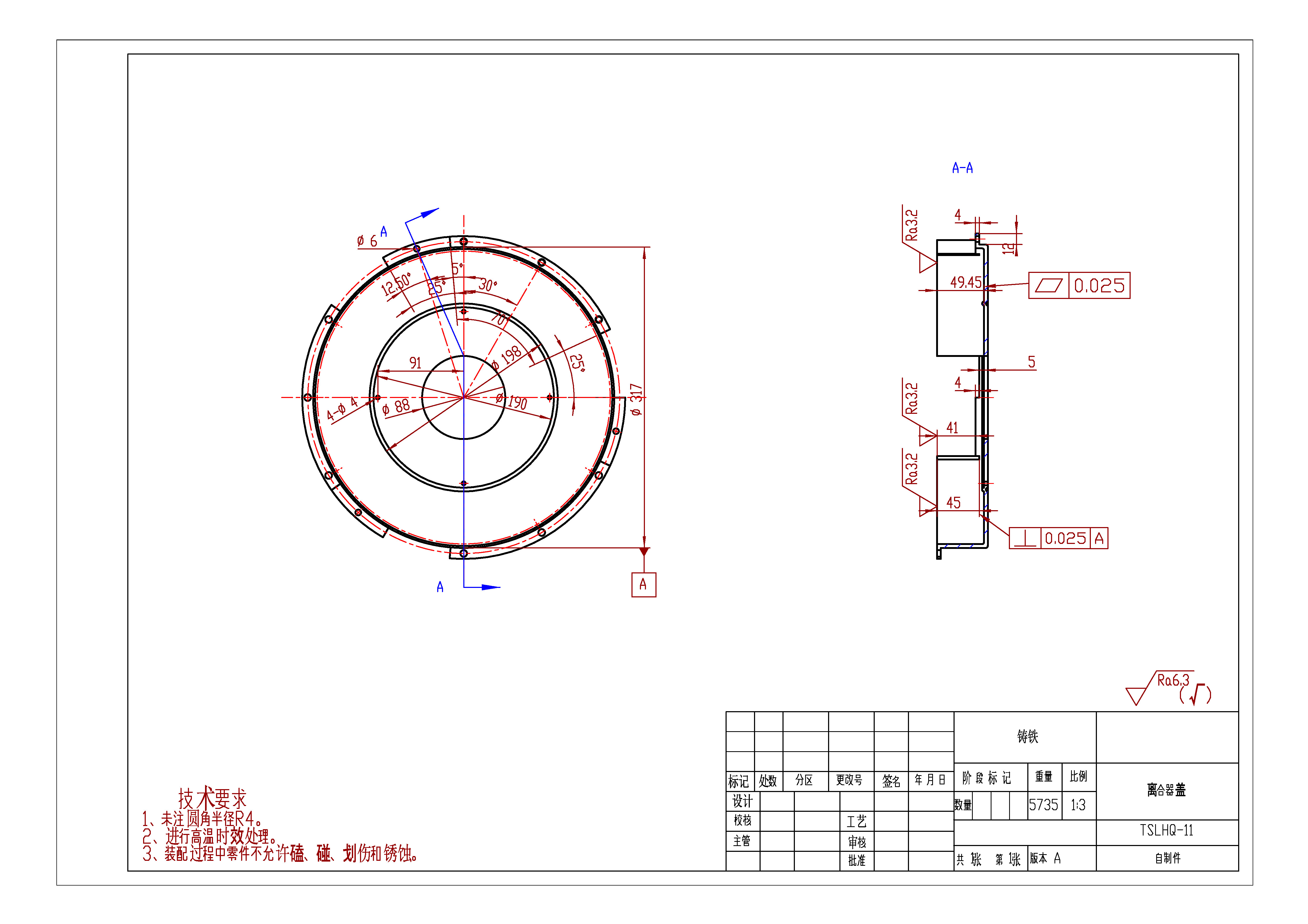
| 11 | 离合器盖.DWG | 已完成并打包 | 请下载最下面的压缩包 |
| 12 | 离合器盖.pdf | 已完成并打包 | 请下载最下面的压缩包 |
| 13 | 膜片弹簧自由状态.DWG | 已完成并打包 | 请下载最下面的压缩包 |
| 14 | 膜片弹簧自由状态.pdf | 已完成并打包 | 请下载最下面的压缩包 |
| 15 | 11.docx | 已完成并打包 | 请下载最下面的压缩包 |
| 16 | 从动片.DWG | 已完成并打包 | 请下载最下面的压缩包 |
| 17 | 压盘.DWG | 已完成并打包 | 请下载最下面的压缩包 |
| 18 | 推式单片离合器无环.DWG | 已完成并打包 | 请下载最下面的压缩包 |
| 19 | 摩擦片.DWG | 已完成并打包 | 请下载最下面的压缩包 |
| 20 | 离合器盖.DWG | 已完成并打包 | 请下载最下面的压缩包 |
| 21 | 膜片弹簧自由状态.DWG | 已完成并打包 | 请下载最下面的压缩包 |
| 所有文件 | 可下载 | ||
| 外部工具 | 在线DWG(CAD文件)转PDF工具 |