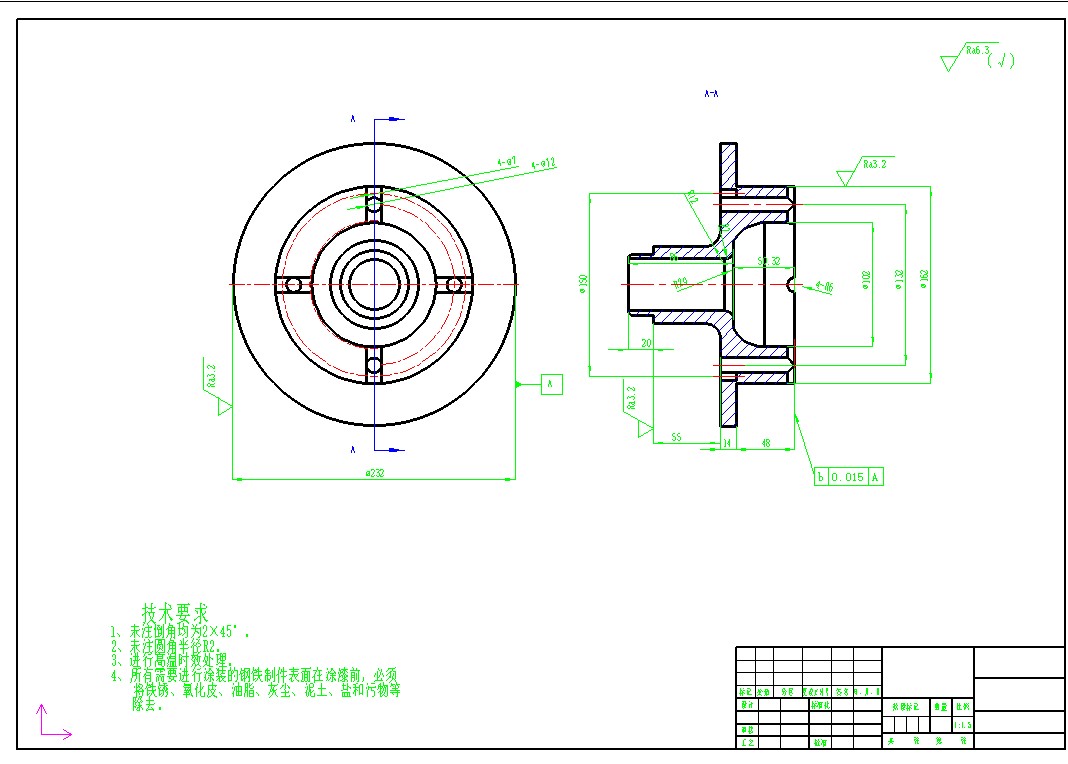
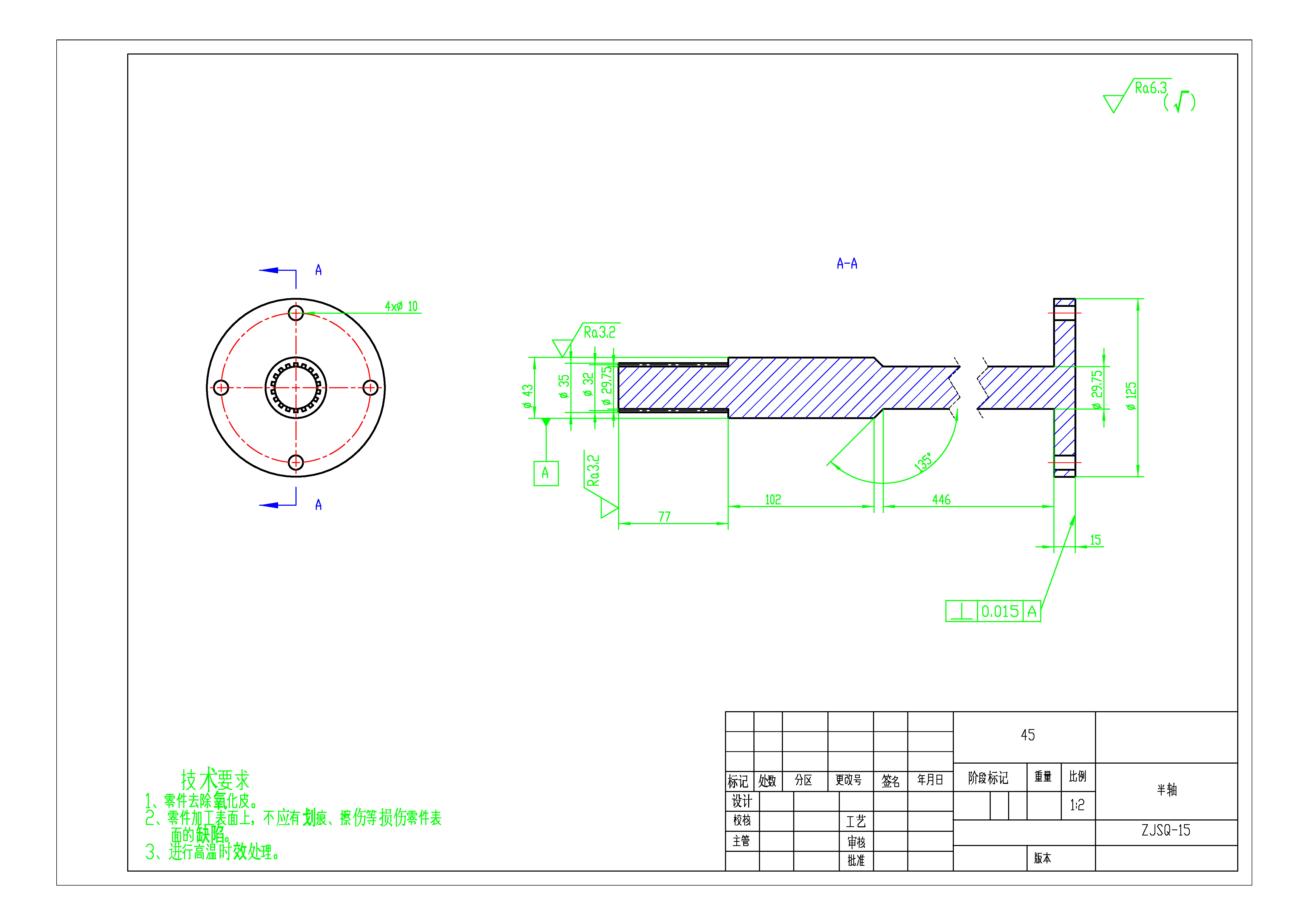
装+3零件 主动锥齿轮零件图A3,差速器左壳零件图A2,半轴零件图A3,主减速器装配图A1
| # | 名称 | 状态 | 操作 |
|---|---|---|---|
| 1 | PDF预览文件 | 可下载 | PDF文件1 |
| 2 | 主减速器.DWG | 已完成并打包 | 请下载最下面的压缩包 |
| 3 | 主减速器.pdf | 已完成并打包 | 请下载最下面的压缩包 |
| 4 | 主减速器主动轮.DWG | 已完成并打包 | 请下载最下面的压缩包 |
| 5 | 主减速器主动轮.pdf | 已完成并打包 | 请下载最下面的压缩包 |
| 6 | 左半轴.DWG | 已完成并打包 | 请下载最下面的压缩包 |
| 7 | 左半轴.pdf | 已完成并打包 | 请下载最下面的压缩包 |
| 8 | 差速器左壳.DWG | 已完成并打包 | 请下载最下面的压缩包 |
| 9 | 差速器左壳.pdf | 已完成并打包 | 请下载最下面的压缩包 |
| 所有文件 | 可下载 | ||
| 外部工具 | 在线DWG(CAD文件)转PDF工具 |