20250610-49-电转向 说+装+4零件 一开始是电的改了 还有车辆型号是零跑t03 我们做齿轮齿条那个吧
| # | 名称 | 状态 | 操作 |
|---|---|---|---|
| 1 | PDF预览文件 | 可下载 | PDF文件1 |
| 2 | 11.docx | 已完成并打包 | 请下载最下面的压缩包 |
| 3 | 壳体.DWG | 已完成并打包 | 请下载最下面的压缩包 |
| 4 | 壳体.pdf | 已完成并打包 | 请下载最下面的压缩包 |
| 5 | 齿条.DWG | 已完成并打包 | 请下载最下面的压缩包 |
| 6 | 齿条.pdf | 已完成并打包 | 请下载最下面的压缩包 |
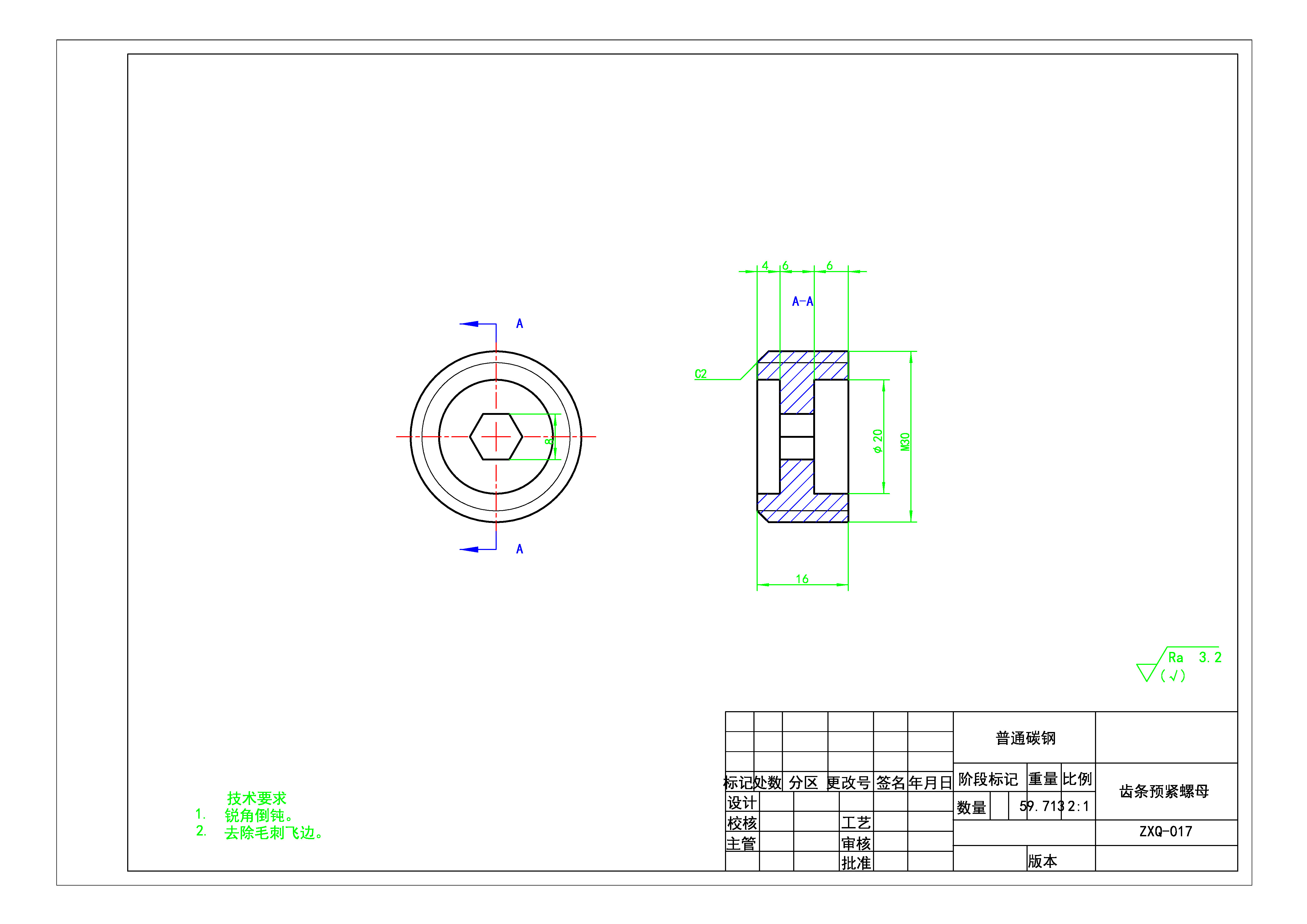
| 7 | 齿条预紧螺母.DWG | 已完成并打包 | 请下载最下面的压缩包 |
| 8 | 齿条预紧螺母.pdf | 已完成并打包 | 请下载最下面的压缩包 |
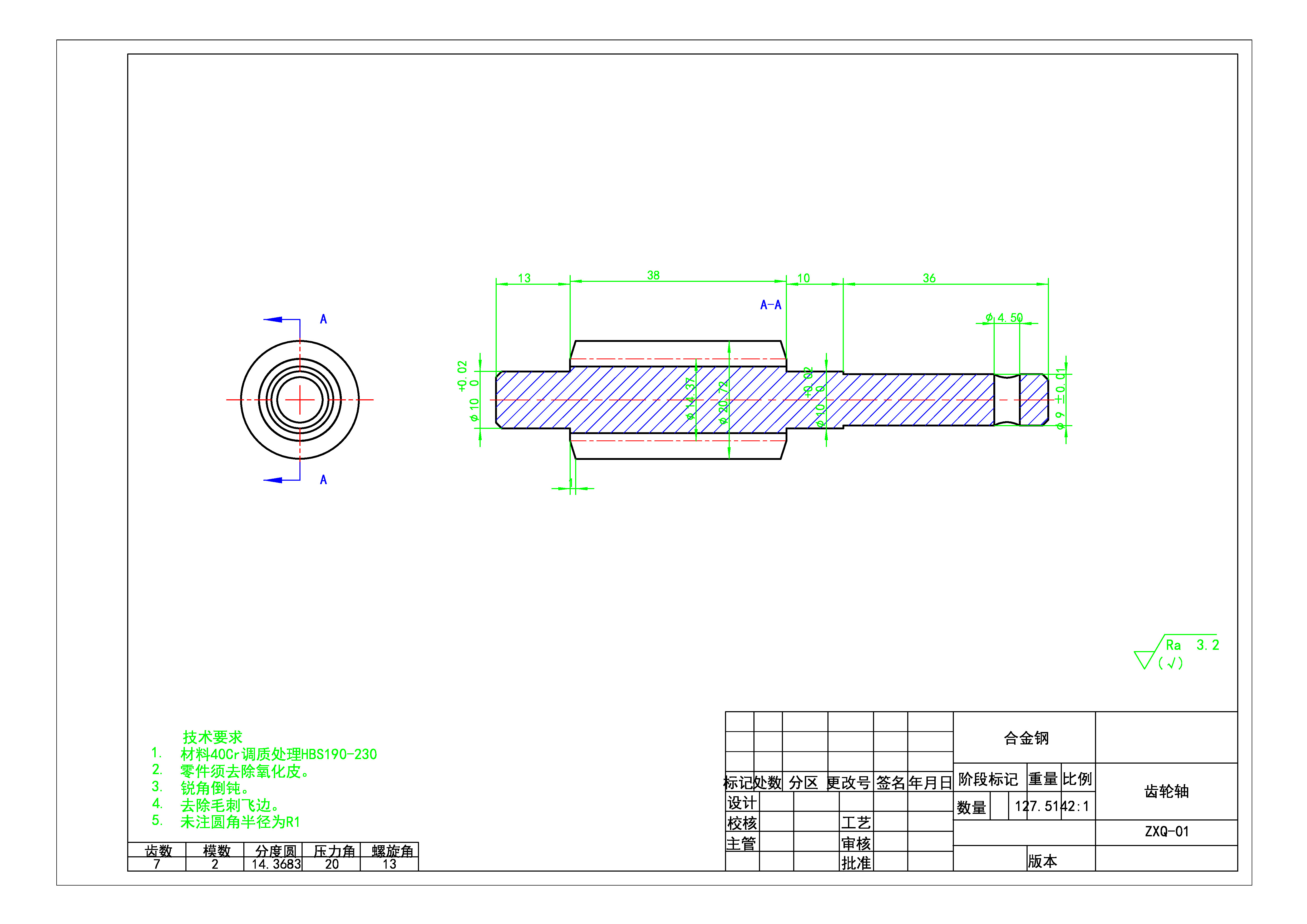
| 9 | 齿轮轴.DWG | 已完成并打包 | 请下载最下面的压缩包 |
| 10 | 齿轮轴.pdf | 已完成并打包 | 请下载最下面的压缩包 |
| 11 | 齿轮齿条转向器.DWG | 已完成并打包 | 请下载最下面的压缩包 |
| 12 | 齿轮齿条转向器.pdf | 已完成并打包 | 请下载最下面的压缩包 |
| 所有文件 | 可下载 | ||
| 外部工具 | 在线DWG(CAD文件)转PDF工具 |