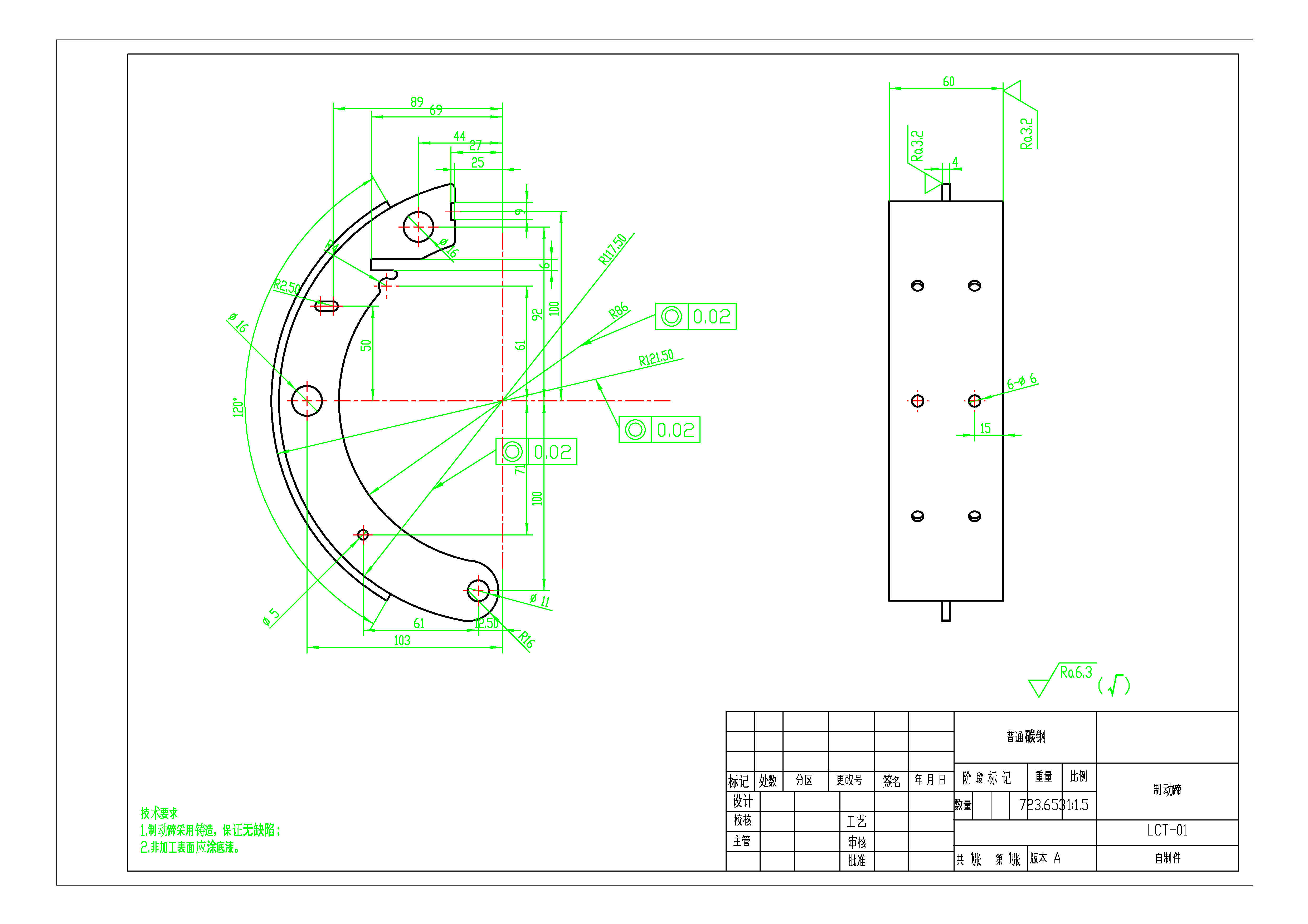
20250611-31-鼓式 (要领从蹄式) 说+装+2零件 零件:制动蹄+制动鼓 是前盘后鼓的制动
| # | 名称 | 状态 | 操作 |
|---|---|---|---|
| 1 | PDF预览文件 | 可下载 | PDF文件1 |
| 2 | PDF预览文件 | 可下载 | PDF文件2 |
| 3 | 12.docx | 已完成并打包 | 请下载最下面的压缩包 |
| 4 | 制动蹄.DWG | 已完成并打包 | 请下载最下面的压缩包 |
| 5 | 制动蹄.pdf | 已完成并打包 | 请下载最下面的压缩包 |
| 6 | 制动鼓.DWG | 已完成并打包 | 请下载最下面的压缩包 |
| 7 | 制动鼓.pdf | 已完成并打包 | 请下载最下面的压缩包 |
| 8 | 领从蹄鼓式制动器.DWG | 已完成并打包 | 请下载最下面的压缩包 |
| 9 | 领从蹄鼓式制动器.pdf | 已完成并打包 | 请下载最下面的压缩包 |
| 所有文件 | 可下载 | ||
| 外部工具 | 在线DWG(CAD文件)转PDF工具 |