主页 推广 咨询

202500904-12-二轴四档

发布时间:2025-09-06 08:18
预览信息
详细说明

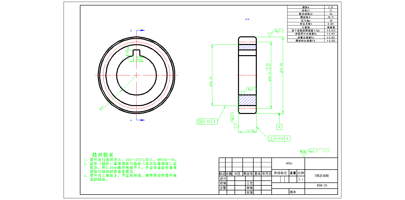
202500904-12-二轴四档 轿车机械式2轴4挡变速器 说+装+3零件 零件3个是主要的就行

文件列表
# 名称 状态 操作
1 PDF预览文件 可下载 PDF文件1
2 1轴.DWG 已完成并打包 请下载最下面的压缩包
3 2挡主动轮.DWG 已完成并打包 请下载最下面的压缩包
4 3挡主动轮.DWG 已完成并打包 请下载最下面的压缩包
5 二轴四档变速器 (1).docx 已完成并打包 请下载最下面的压缩包
6 二轴四档变速器.DWG 已完成并打包 请下载最下面的压缩包
所有文件 可下载
输入提取码 或支付(30.0元) 购买
外部工具 在线DWG(CAD文件)转PDF工具