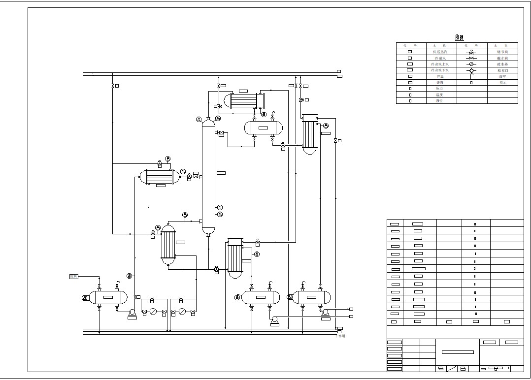
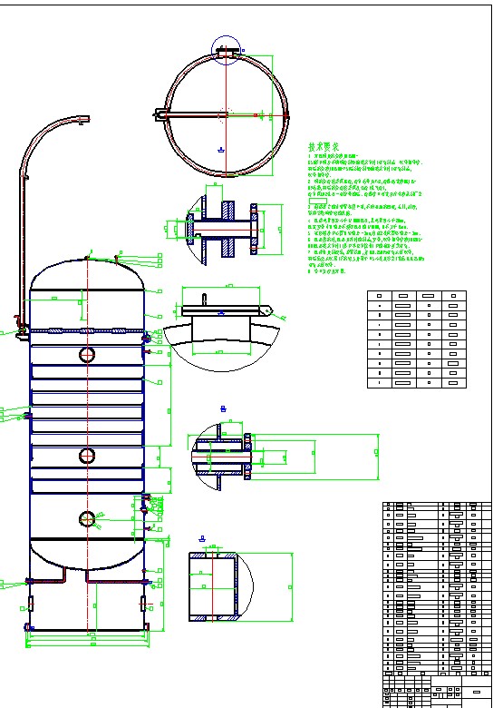
说明书+装配图+工艺流程图+塔板布置图 年处理量4万吨,原料轻组分40%,塔顶95%,塔底94% 甲醇——水精馏塔
| # | 名称 | 状态 | 操作 |
|---|---|---|---|
| 1 | PDF预览文件 | 可下载 | PDF文件1 |
| 2 | 3800-20-4304.dwg | 已完成并打包 | 请下载最下面的压缩包 |
| 3 | 工艺流程图A3 (2).dwg | 已完成并打包 | 请下载最下面的压缩包 |
| 4 | 筛板精馏塔 (1).docx | 已完成并打包 | 请下载最下面的压缩包 |
| 5 | 筛板精馏塔.DWG | 已完成并打包 | 请下载最下面的压缩包 |
| 所有文件 | 可下载 | ||
| 外部工具 | 在线DWG(CAD文件)转PDF工具 |