一个装配图四个零件图
# | 名称 | 状态 | 操作 |
---|---|---|---|
1 | PDF预览文件 | 可下载 | PDF文件1 |
2 | 主减速器主动轮.DWG | 已完成并打包 | 请下载最下面的压缩包 |
3 | 主减速器从动轮.DWG | 已完成并打包 | 请下载最下面的压缩包 |
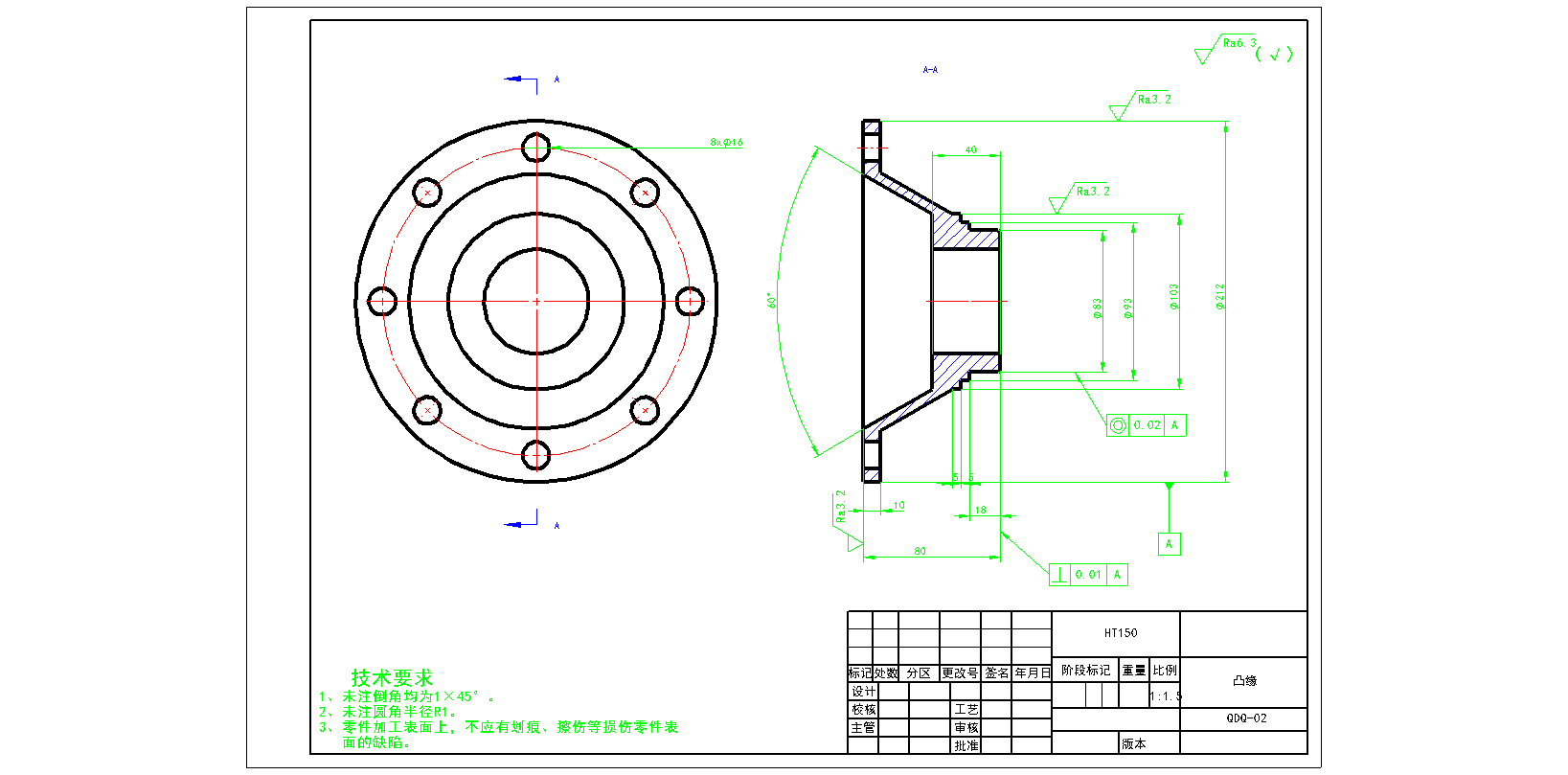
4 | 凸缘.DWG | 已完成并打包 | 请下载最下面的压缩包 |
5 | 行星齿轮.DWG | 已完成并打包 | 请下载最下面的压缩包 |
6 | 驱动桥.DWG | 已完成并打包 | 请下载最下面的压缩包 |
所有文件 | 可下载 | ||
外部工具 | 在线DWG(CAD文件)转PDF工具 |