主页 推广 咨询

202500910-09-离合器

发布时间:2025-09-12 08:19
预览信息
详细说明

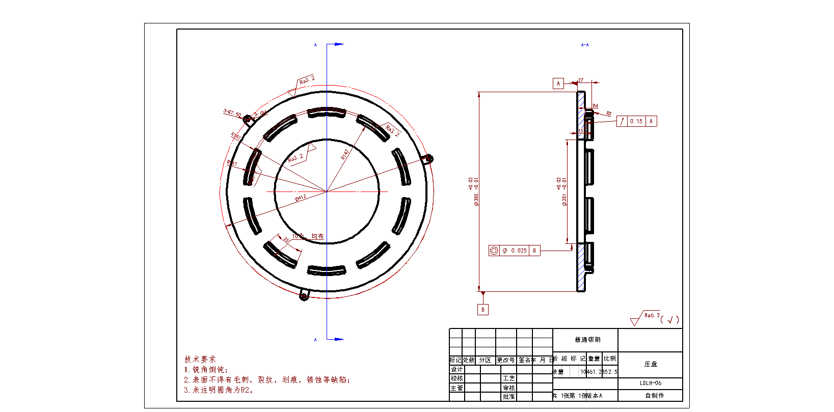
202500910-09-离合器 说+装+2零件 设计膜片弹簧及压盘。 二组任务: 1、确定拉式膜片弹簧离合器的总体方案。 2、确定离合器的主要参数。 3、 4、编制设计说明书。

文件列表
# 名称 状态 操作
1 PDF预览文件 可下载 PDF文件1
2 压盘.DWG 已完成并打包 请下载最下面的压缩包
3 拉式单片离合器.DWG 已完成并打包 请下载最下面的压缩包
4 膜片弹簧自由状态.DWG 已完成并打包 请下载最下面的压缩包
5 膜片离合器 (1).docx 已完成并打包 请下载最下面的压缩包
所有文件 可下载
输入提取码 或支付(30.0元) 购买
外部工具 在线DWG(CAD文件)转PDF工具