202500915-08-三轴五档 说+装+2零件 +三维 零件图按照任务书做
| # | 名称 | 状态 | 操作 | 
|---|---|---|---|
| 1 | PDF预览文件 | 可下载 | PDF文件1 | 
| 2 | 一轴.DWG | 已完成并打包 | 请下载最下面的压缩包 | 
| 3 | 三轴五档变速器 (1).docx | 已完成并打包 | 请下载最下面的压缩包 | 
| 4 | 三轴五档变速器.DWG | 已完成并打包 | 请下载最下面的压缩包 | 
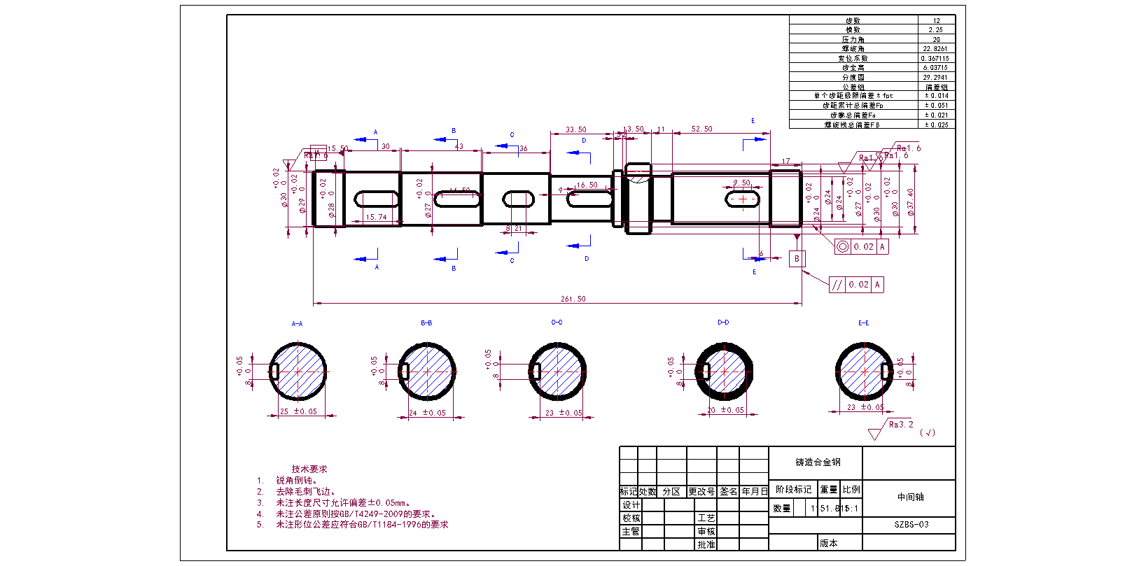
| 5 | 中间轴.DWG | 已完成并打包 | 请下载最下面的压缩包 | 
| 6 | 一档从动齿轮z9.SLDPRT | 已完成并打包 | 请下载最下面的压缩包 | 
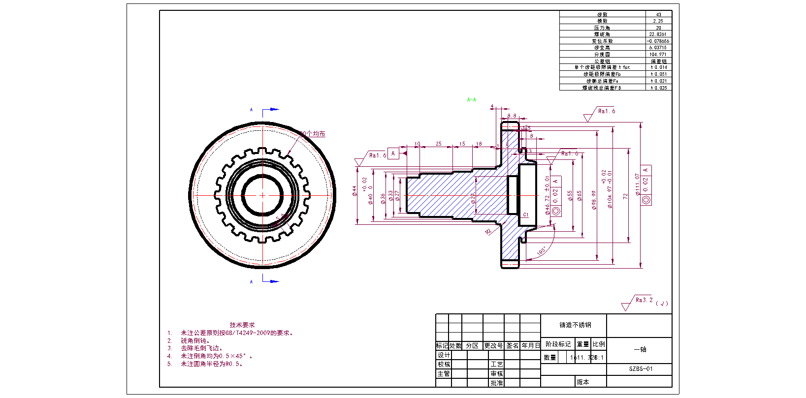
| 7 | 一轴.SLDPRT | 已完成并打包 | 请下载最下面的压缩包 | 
| 8 | 三挡主动齿轮z6.SLDPRT | 已完成并打包 | 请下载最下面的压缩包 | 
| 9 | 三挡从动齿轮z5.SLDPRT | 已完成并打包 | 请下载最下面的压缩包 | 
| 10 | 三轴五档变速器.SLDASM | 已完成并打包 | 请下载最下面的压缩包 | 
| 11 | 两档主动齿轮z8.SLDPRT | 已完成并打包 | 请下载最下面的压缩包 | 
| 12 | 两档从动齿轮z7.SLDPRT | 已完成并打包 | 请下载最下面的压缩包 | 
| 13 | 中间轴.SLDPRT | 已完成并打包 | 请下载最下面的压缩包 | 
| 14 | 二轴.SLDPRT | 已完成并打包 | 请下载最下面的压缩包 | 
| 15 | 五档常啮合从动齿轮z2.SLDPRT | 已完成并打包 | 请下载最下面的压缩包 | 
| 16 | 倒挡中间轮z12.SLDPRT | 已完成并打包 | 请下载最下面的压缩包 | 
| 17 | 倒挡主动轮z13.SLDPRT | 已完成并打包 | 请下载最下面的压缩包 | 
| 18 | 倒挡从动齿轮z11.SLDPRT | 已完成并打包 | 请下载最下面的压缩包 | 
| 19 | 四挡从动齿轮z3.SLDPRT | 已完成并打包 | 请下载最下面的压缩包 | 
| 20 | 四档主动齿轮z4.SLDPRT | 已完成并打包 | 请下载最下面的压缩包 | 
| 所有文件 | 可下载 | ||
| 外部工具 | 在线DWG(CAD文件)转PDF工具 |