202500925-04-离合器 拉式离合器 说明书+装配图+10个零件 本田CR-V 1.5T汽车DQCVT无级变速器离合器片组的优化设计
| # | 名称 | 状态 | 操作 | 
|---|---|---|---|
| 1 | PDF预览文件 | 可下载 | PDF文件1 | 
| 2 | 从动片.DWG | 已完成并打包 | 请下载最下面的压缩包 | 
| 3 | 从动盘毂.DWG | 已完成并打包 | 请下载最下面的压缩包 | 
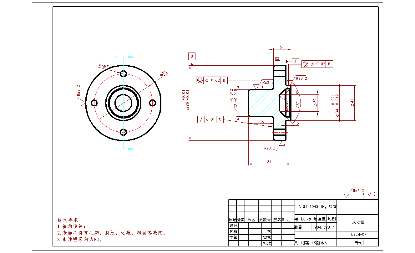
| 4 | 从动轴.DWG | 已完成并打包 | 请下载最下面的压缩包 | 
| 5 | 减震盘.DWG | 已完成并打包 | 请下载最下面的压缩包 | 
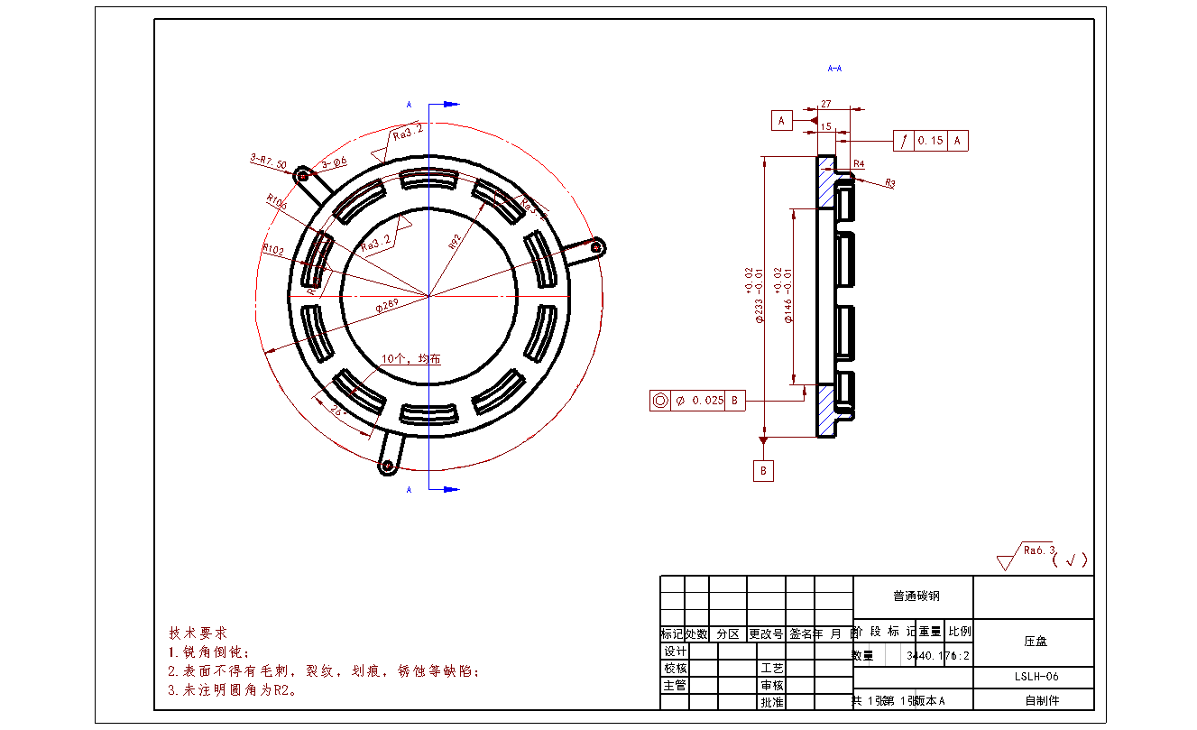
| 6 | 压盘.DWG | 已完成并打包 | 请下载最下面的压缩包 | 
| 7 | 拉式单片离合器.DWG | 已完成并打包 | 请下载最下面的压缩包 | 
| 8 | 摩擦片.DWG | 已完成并打包 | 请下载最下面的压缩包 | 
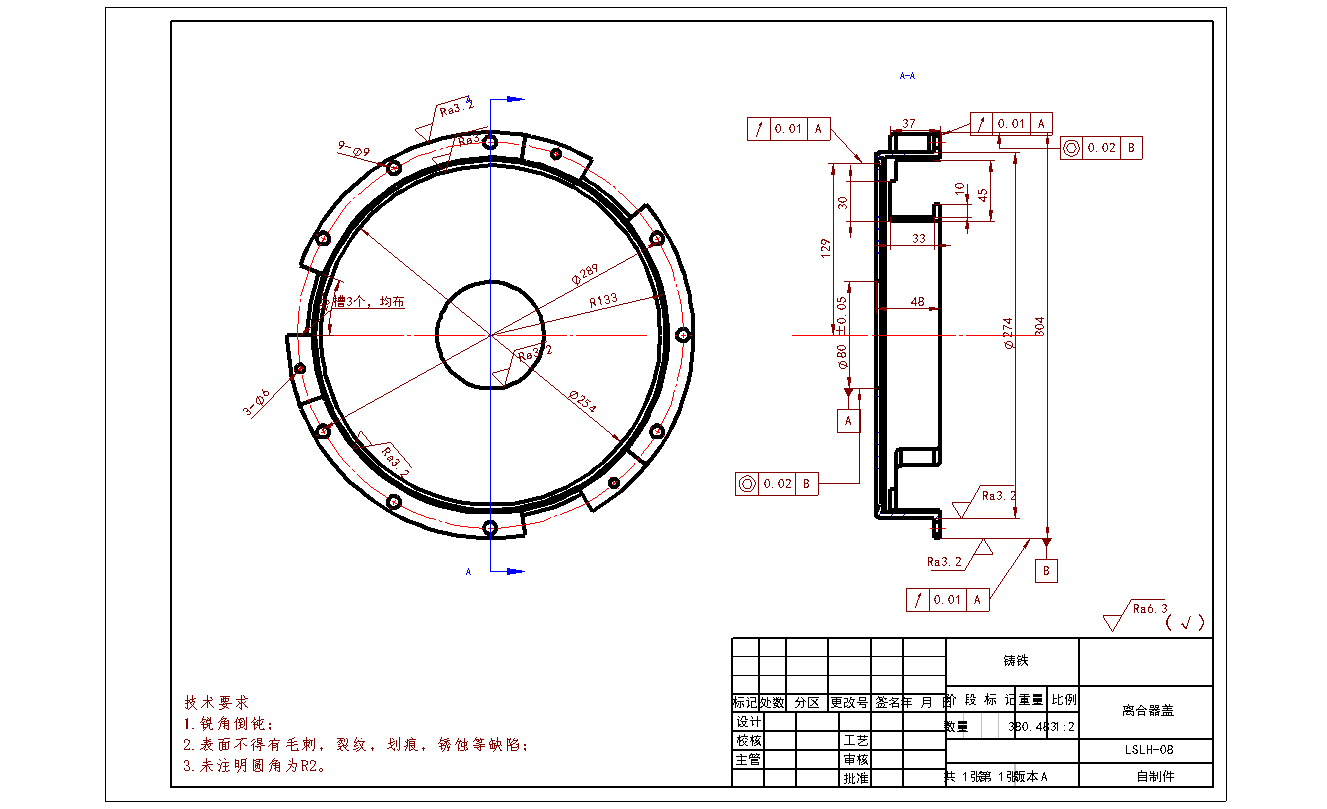
| 9 | 离合器盖.DWG | 已完成并打包 | 请下载最下面的压缩包 | 
| 10 | 膜片弹簧自由状态.DWG | 已完成并打包 | 请下载最下面的压缩包 | 
| 11 | 膜片离合器 (1).docx | 已完成并打包 | 请下载最下面的压缩包 | 
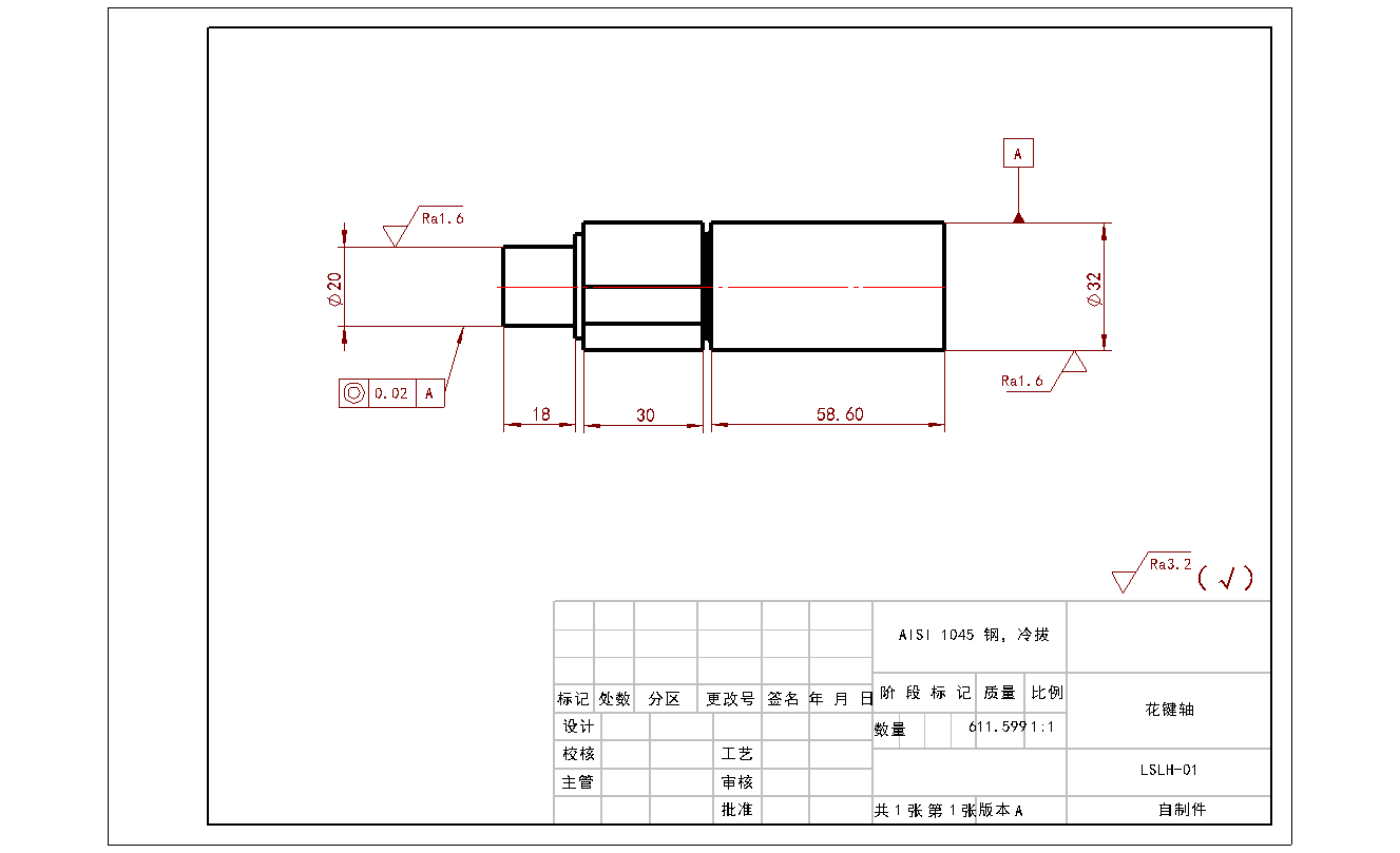
| 12 | 花键轴.DWG | 已完成并打包 | 请下载最下面的压缩包 | 
| 13 | 阻尼片.DWG | 已完成并打包 | 请下载最下面的压缩包 | 
| 所有文件 | 可下载 | ||
| 外部工具 | 在线DWG(CAD文件)转PDF工具 |