20251011-01-加6个零件 二挡主动齿轮,中间轴,一轴,三挡主动齿轮,三挡从动齿轮,四挡主动齿轮 202500917-11-3轴4挡付清
| # | 名称 | 状态 | 操作 |
|---|---|---|---|
| 1 | PDF预览文件 | 可下载 | PDF文件1 |
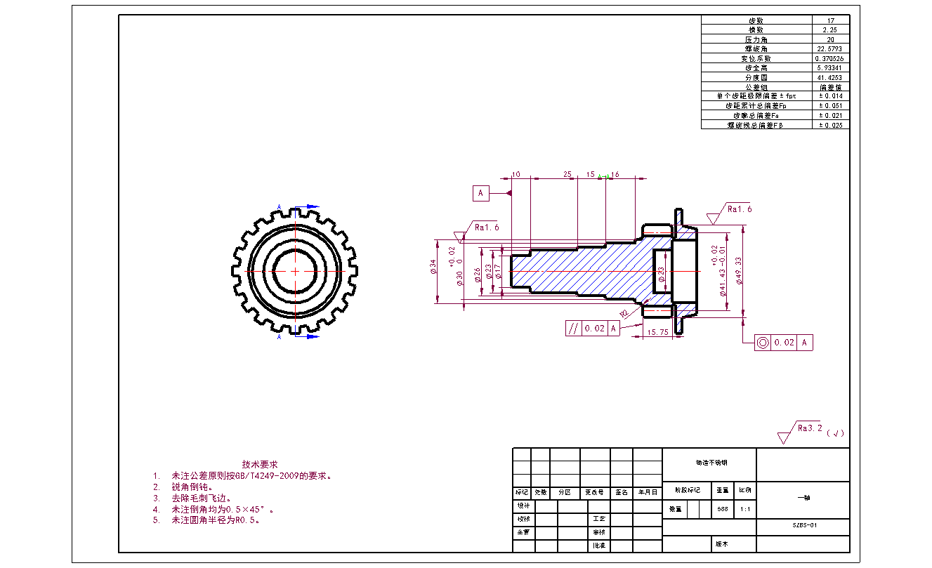
| 2 | 一轴.DWG | 已完成并打包 | 请下载最下面的压缩包 |
| 3 | 三挡主动齿轮z6.DWG | 已完成并打包 | 请下载最下面的压缩包 |
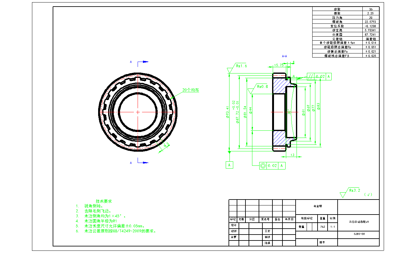
| 4 | 三挡从动齿轮z5.DWG | 已完成并打包 | 请下载最下面的压缩包 |
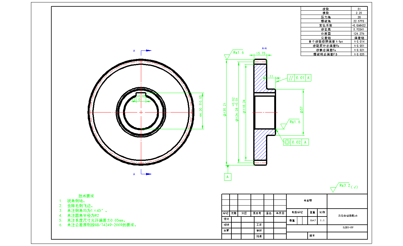
| 5 | 两档主动齿轮z8.DWG | 已完成并打包 | 请下载最下面的压缩包 |
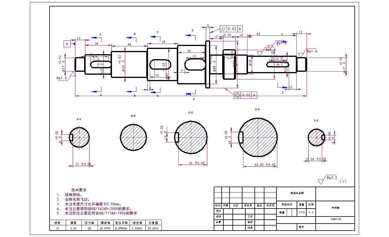
| 6 | 中间轴.DWG | 已完成并打包 | 请下载最下面的压缩包 |
| 7 | 四档主动齿轮z4.DWG | 已完成并打包 | 请下载最下面的压缩包 |
| 所有文件 | 可下载 | ||
| 外部工具 | 在线DWG(CAD文件)转PDF工具 |