原订单20251008-01-离合器未付 装配图+ 四张零件图要一个膜片弹簧,一个压盘,其他两个随便
| # | 名称 | 状态 | 操作 |
|---|---|---|---|
| 1 | PDF预览文件 | 可下载 | PDF文件1 |
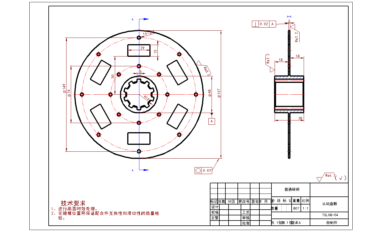
| 2 | 从动盘毂.DWG | 已完成并打包 | 请下载最下面的压缩包 |
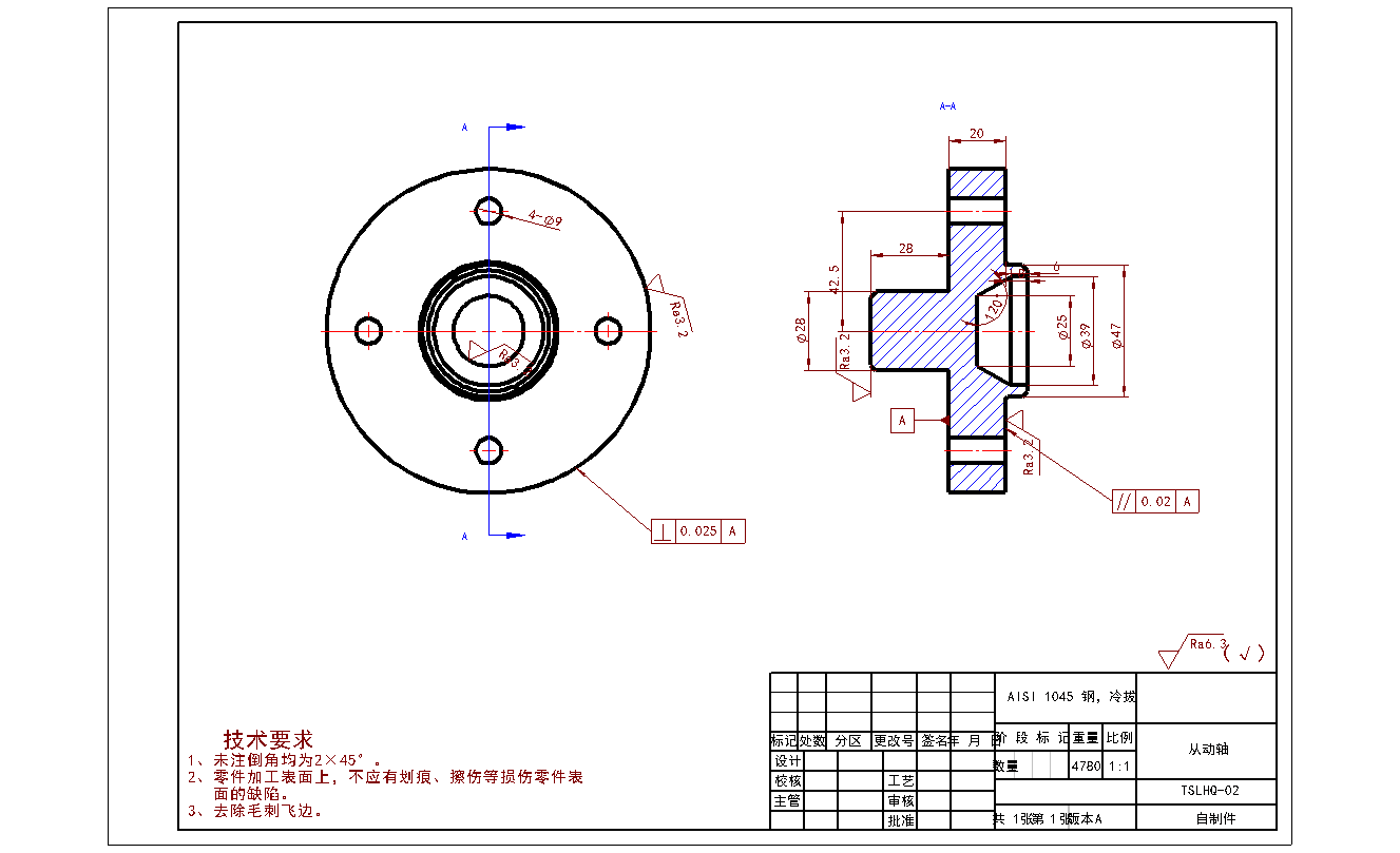
| 3 | 从动轴.DWG | 已完成并打包 | 请下载最下面的压缩包 |
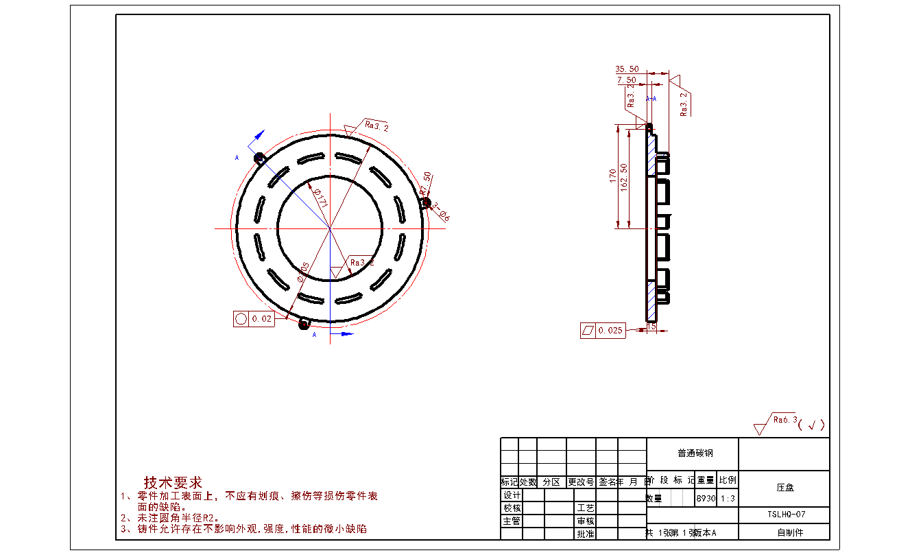
| 4 | 压盘.DWG | 已完成并打包 | 请下载最下面的压缩包 |
| 5 | 推式单片离合器无环.DWG | 已完成并打包 | 请下载最下面的压缩包 |
| 6 | 膜片弹簧自由状态.DWG | 已完成并打包 | 请下载最下面的压缩包 |
| 所有文件 | 可下载 | ||
| 外部工具 | 在线DWG(CAD文件)转PDF工具 |