奕帆工业
推广享折扣赚佣金
首页
全部商品
常见问题
注册/登录
主页
顶部
推广
咨询
20251010-03-二挡变速器
发布时间:2025-10-13 10:44
预览信息
详细说明
20251010-03-二挡变速器 说明书+装配图+2个零件 两个零件图是一个齿轮一个轴
文件列表
#
名称
状态
操作
1
PDF预览文件
可下载
PDF文件1
2
一轴.DWG
已完成并打包
请下载最下面的压缩包
3
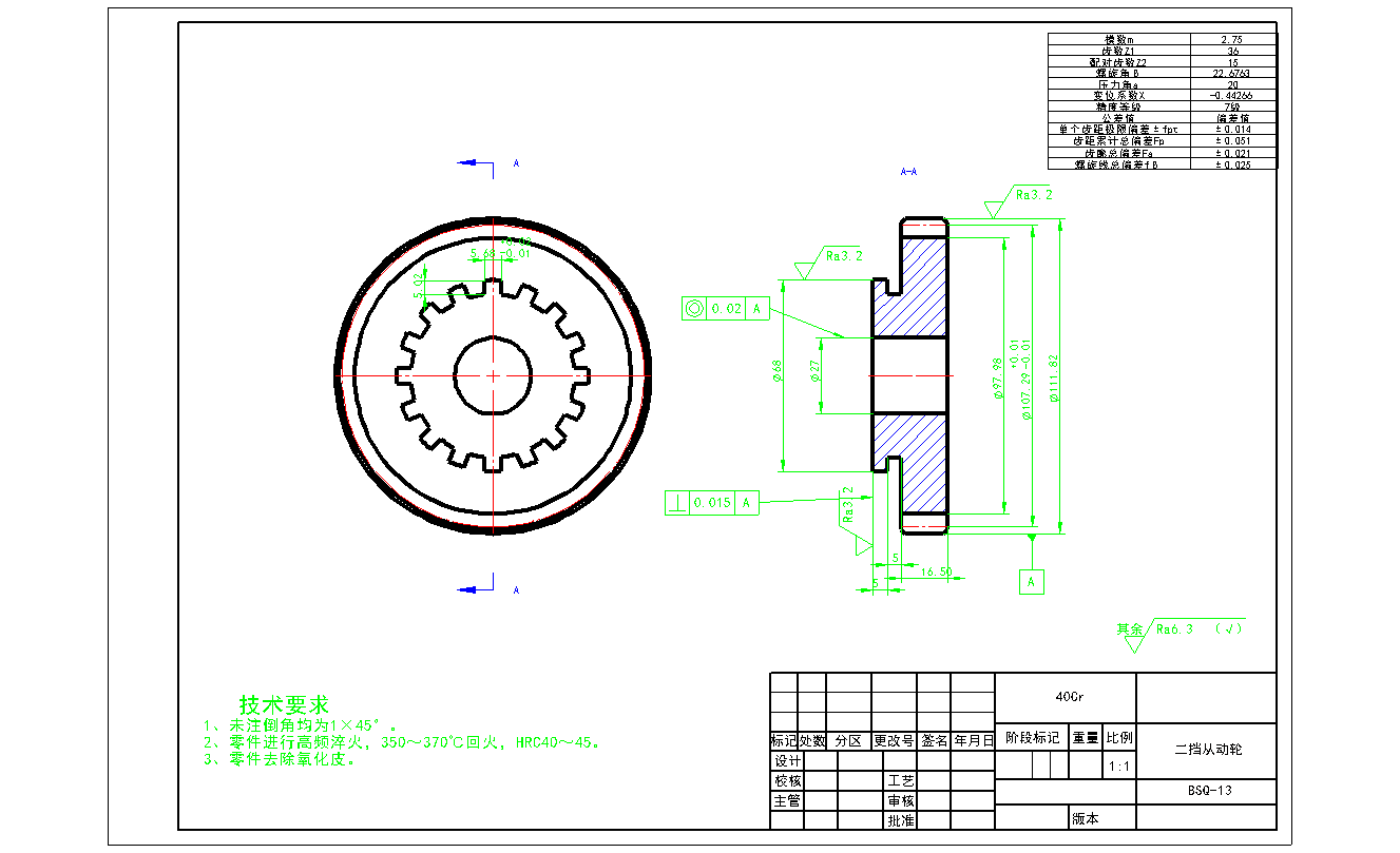
二挡从动轮.DWG
已完成并打包
请下载最下面的压缩包
4
二挡变速器 (1).docx
已完成并打包
请下载最下面的压缩包
5
二挡变速器.DWG
已完成并打包
请下载最下面的压缩包
所有文件
可下载
输入提取码
或支付(30.0元)
购买
外部工具
在线DWG(CAD文件)转PDF工具