一共做三份 说明书+(压盘和膜片弹簧)+膜片弹簧仿真 3份 计算的过程中有一些会有取值范围的,要在这个方面选三个不同的数据做出来三份
| # | 名称 | 状态 | 操作 |
|---|---|---|---|
| 1 | PDF预览文件 | 可下载 | PDF文件1 |
| 2 | 从动片.DWG | 已完成并打包 | 请下载最下面的压缩包 |
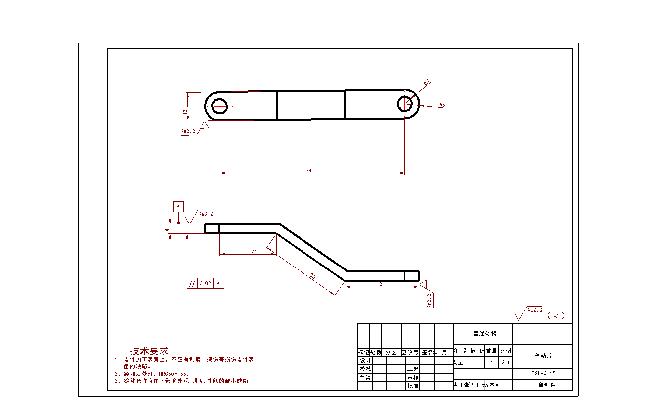
| 3 | 传动片.DWG | 已完成并打包 | 请下载最下面的压缩包 |
| 4 | 减震盘.DWG | 已完成并打包 | 请下载最下面的压缩包 |
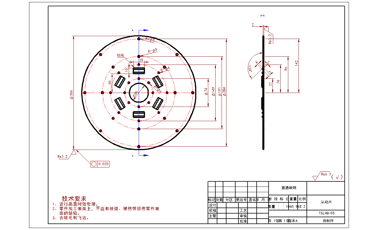
| 5 | 摩擦片.DWG | 已完成并打包 | 请下载最下面的压缩包 |
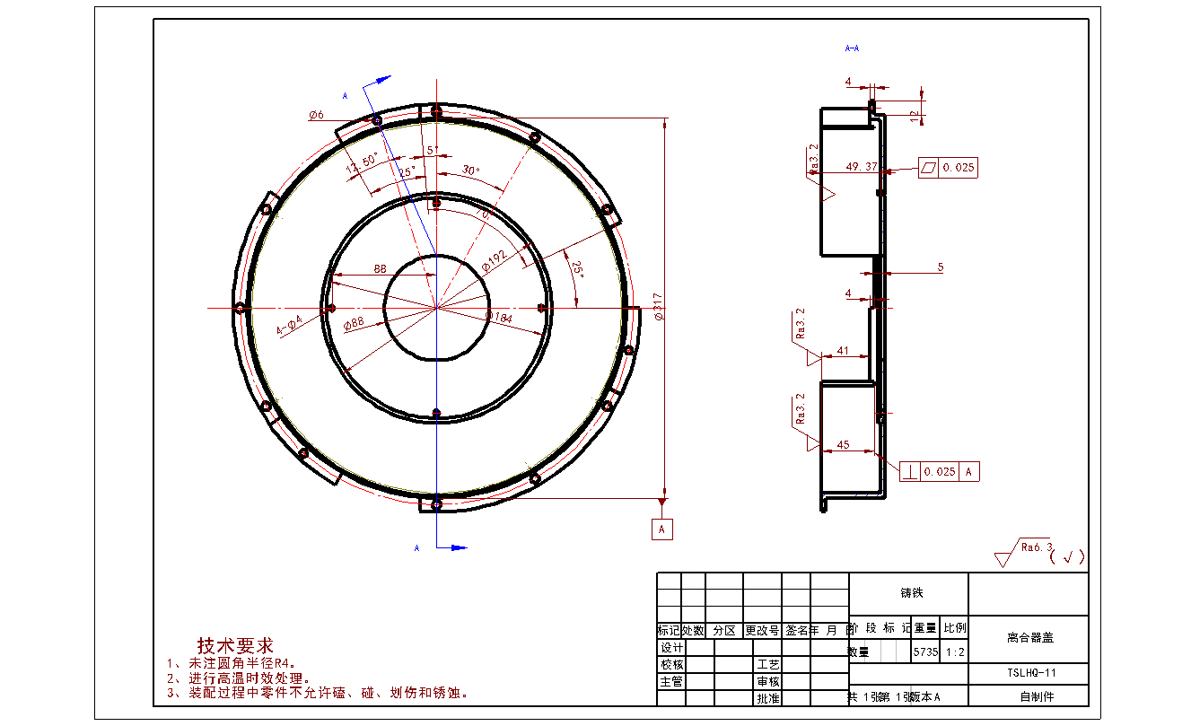
| 6 | 离合器盖.DWG | 已完成并打包 | 请下载最下面的压缩包 |
| 7 | 花键轴.DWG | 已完成并打包 | 请下载最下面的压缩包 |
| 8 | 阻尼片.DWG | 已完成并打包 | 请下载最下面的压缩包 |
| 所有文件 | 可下载 | ||
| 外部工具 | 在线DWG(CAD文件)转PDF工具 |