设计说明+装配图+2零件图 2份 最大起重量(KN)35 最大起重高度(mm)180 最大起重量(KN)45.5 最大起重高度(mm)210
| # | 名称 | 状态 | 操作 |
|---|---|---|---|
| 1 | PDF预览文件 | 可下载 | PDF文件1 |
| 2 | PDF预览文件 | 可下载 | PDF文件2 |
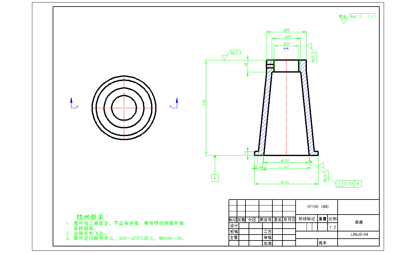
| 3 | 底座.DWG | 已完成并打包 | 请下载最下面的压缩包 |
| 4 | 手柄.DWG | 已完成并打包 | 请下载最下面的压缩包 |
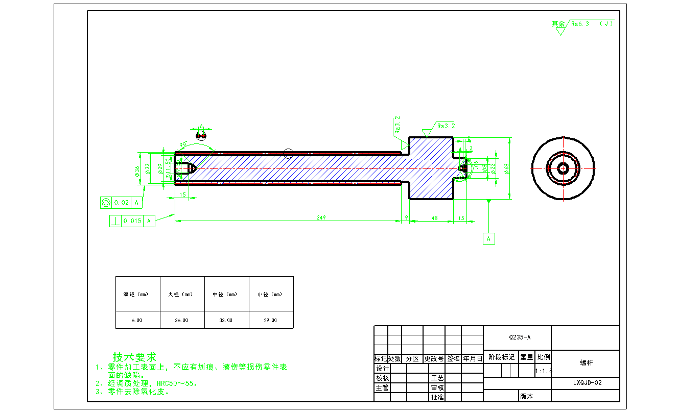
| 5 | 螺旋千斤顶.DWG | 已完成并打包 | 请下载最下面的压缩包 |
| 6 | 说明书 (1).docx | 已完成并打包 | 请下载最下面的压缩包 |
| 7 | 螺旋千斤顶.DWG | 已完成并打包 | 请下载最下面的压缩包 |
| 8 | 螺杆.DWG | 已完成并打包 | 请下载最下面的压缩包 |
| 9 | 螺母.DWG | 已完成并打包 | 请下载最下面的压缩包 |
| 10 | 说明书 (1).docx | 已完成并打包 | 请下载最下面的压缩包 |
| 所有文件 | 可下载 | ||
| 外部工具 | 在线DWG(CAD文件)转PDF工具 |