奕帆工业
推广享折扣赚佣金
首页
全部商品
常见问题
注册/登录
主页
顶部
推广
咨询
20251022-05-变速器
发布时间:2025-10-24 14:51
预览信息
详细说明
20251022-05-变速器 做三轴 说明书+装配图+2个零件 但是是5+1挡的
文件列表
#
名称
状态
操作
1
PDF预览文件
可下载
PDF文件1
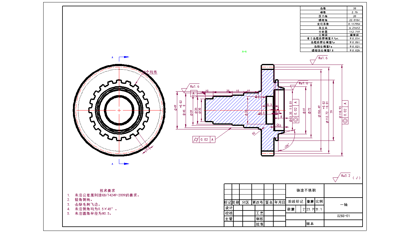
2
一轴.DWG
已完成并打包
请下载最下面的压缩包
3
三轴五档变速器 (1).docx
已完成并打包
请下载最下面的压缩包
4
三轴五档变速器.DWG
已完成并打包
请下载最下面的压缩包
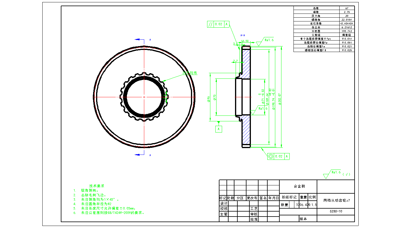
5
两档从动齿轮z7.DWG
已完成并打包
请下载最下面的压缩包
所有文件
可下载
输入提取码
或支付(30.0元)
购买
外部工具
在线DWG(CAD文件)转PDF工具