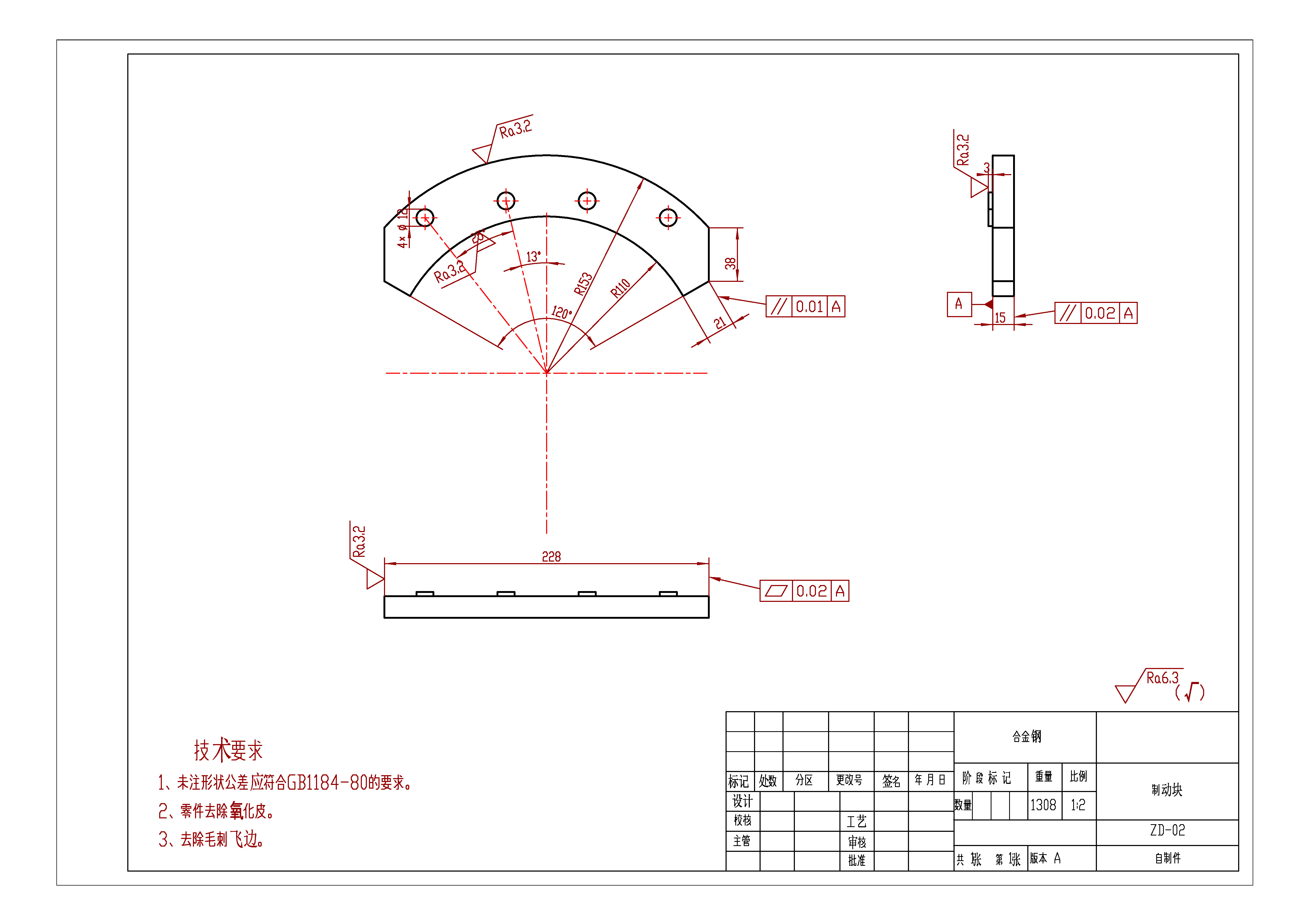
20251028-03-制动器 做的这组,轴距为2654 说明书+装配图+2个零件 制动盘 制动块 制动盘的图幅用A1,然后制动块的图幅用A2. A3各存一份 电子模板放在文件里面了
| # | 名称 | 状态 | 操作 |
|---|---|---|---|
| 1 | PDF预览文件 | 可下载 | PDF文件1 |
| 2 | 制动块.DWG | 已完成并打包 | 请下载最下面的压缩包 |
| 3 | 11.docx | 已完成并打包 | 请下载最下面的压缩包 |
| 4 | 制动块.DWG | 已完成并打包 | 请下载最下面的压缩包 |
| 5 | 制动盘.DWG | 已完成并打包 | 请下载最下面的压缩包 |
| 6 | 通风盘滑动钳盘式制动器.DWG | 已完成并打包 | 请下载最下面的压缩包 |
| 所有文件 | 可下载 | ||
| 外部工具 | 在线DWG(CAD文件)转PDF工具 |