装+6零件 整体
| # | 名称 | 状态 | 操作 |
|---|---|---|---|
| 1 | PDF预览文件 | 可下载 | PDF文件1 |
| 2 | 主减速器主动轮.DWG | 已完成并打包 | 请下载最下面的压缩包 |
| 3 | 主减速器从动轮.DWG | 已完成并打包 | 请下载最下面的压缩包 |
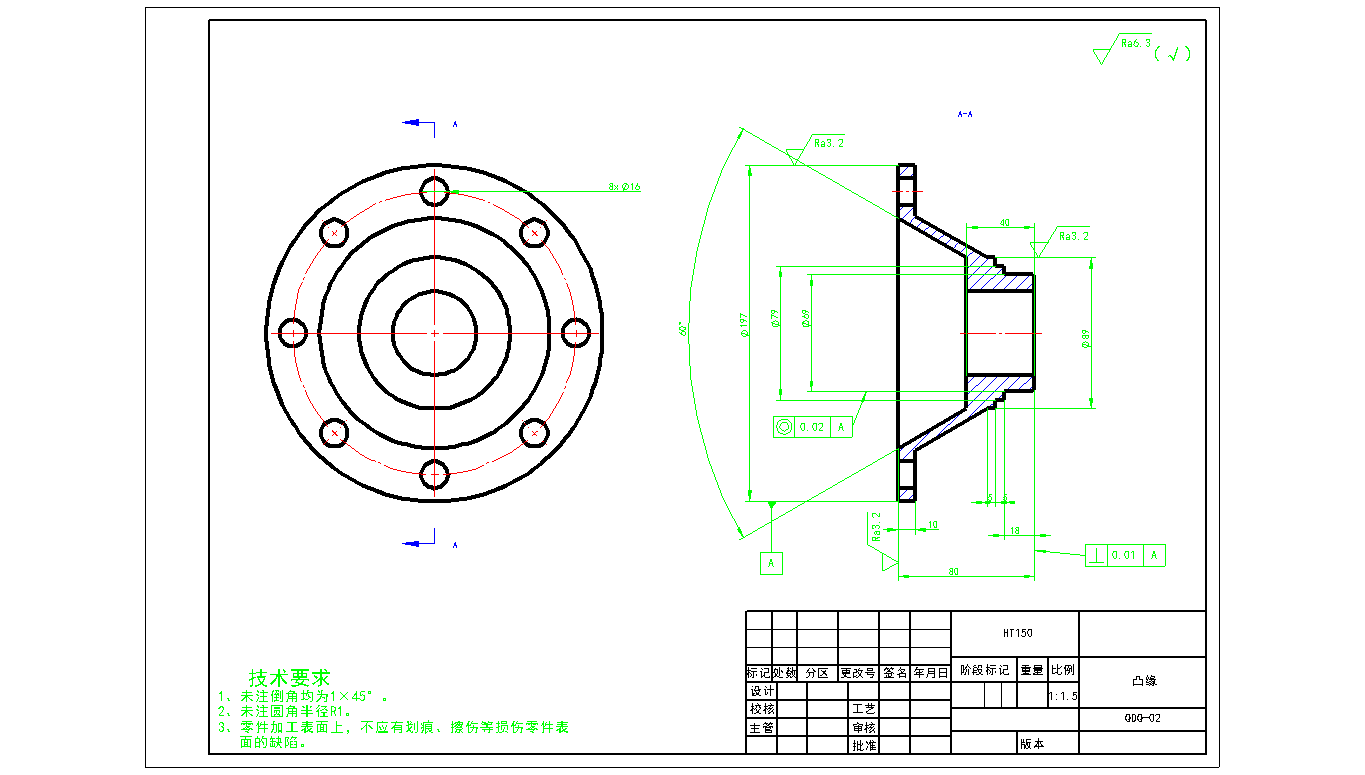
| 4 | 凸缘.DWG | 已完成并打包 | 请下载最下面的压缩包 |
| 5 | 半轴齿轮.DWG | 已完成并打包 | 请下载最下面的压缩包 |
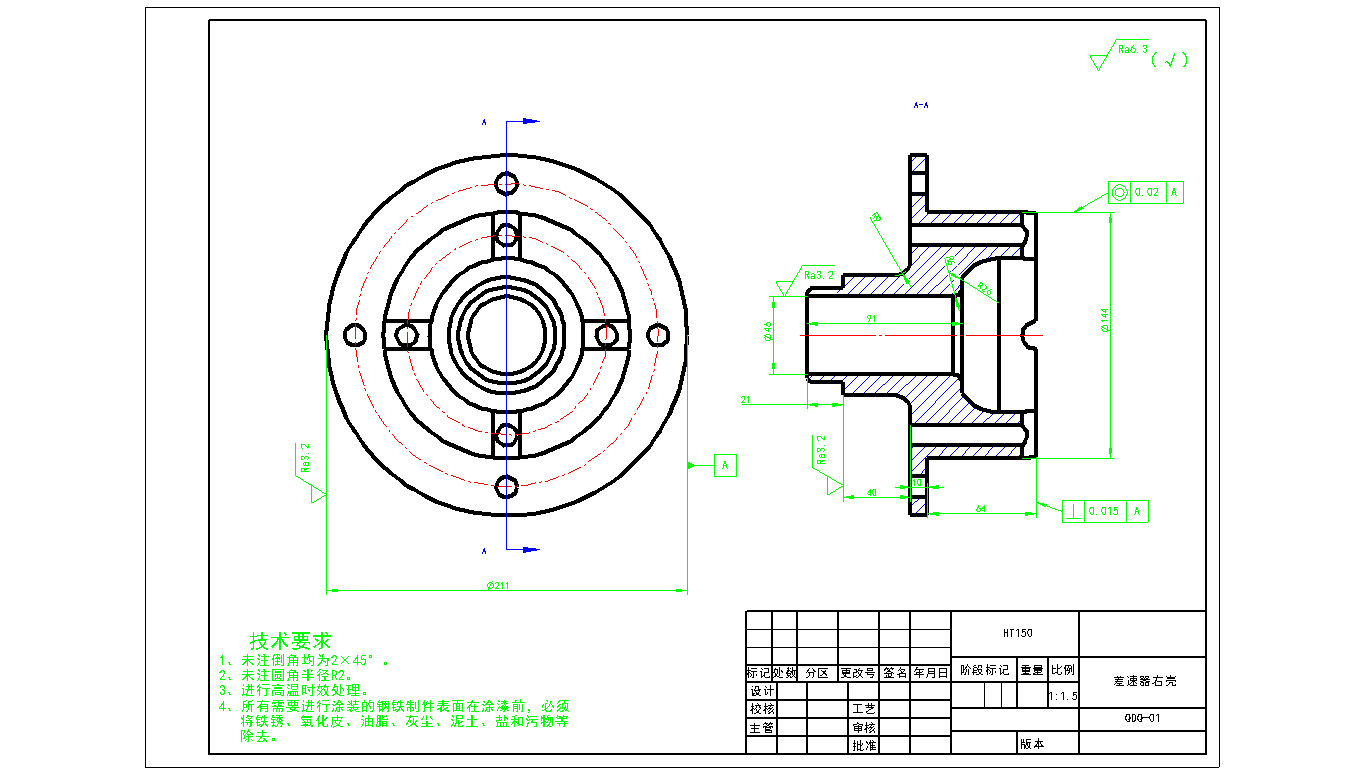
| 6 | 差速器左壳.DWG | 已完成并打包 | 请下载最下面的压缩包 |
| 7 | 行星齿轮.DWG | 已完成并打包 | 请下载最下面的压缩包 |
| 8 | 驱动桥.DWG | 已完成并打包 | 请下载最下面的压缩包 |
| 所有文件 | 可下载 | ||
| 外部工具 | 在线DWG(CAD文件)转PDF工具 |