奕帆工业
推广享折扣赚佣金
首页
全部商品
常见问题
注册/登录
主页
顶部
推广
咨询
20251201-17-液压
发布时间:2025-12-03 13:50
预览信息
详细说明
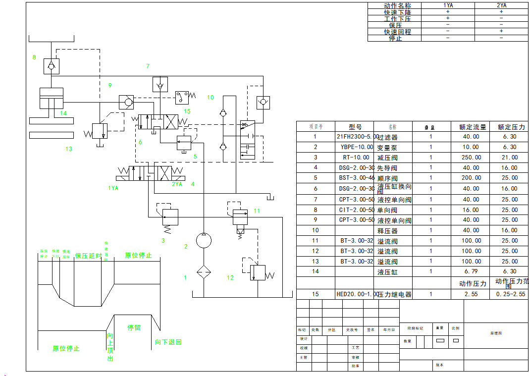
20251201-17-液压 液压:说+装+ 原理+ 工况
文件列表
#
名称
状态
操作
1
PDF预览文件
可下载
PDF文件1
2
原理图.dwg
已完成并打包
请下载最下面的压缩包
3
工况图.dwg
已完成并打包
请下载最下面的压缩包
4
液压缸装配图.dwg
已完成并打包
请下载最下面的压缩包
5
液压设计 (1).docx
已完成并打包
请下载最下面的压缩包
所有文件
可下载
输入提取码
或支付(30.0元)
购买
外部工具
在线DWG(CAD文件)转PDF工具