20251201-18-液压 还有一个是这个往复运动加速时间,改成0.5 数据用表12设计参数(II组)序号11
| # | 名称 | 状态 | 操作 |
|---|---|---|---|
| 1 | PDF预览文件 | 可下载 | PDF文件1 |
| 2 | 11.docx | 已完成并打包 | 请下载最下面的压缩包 |
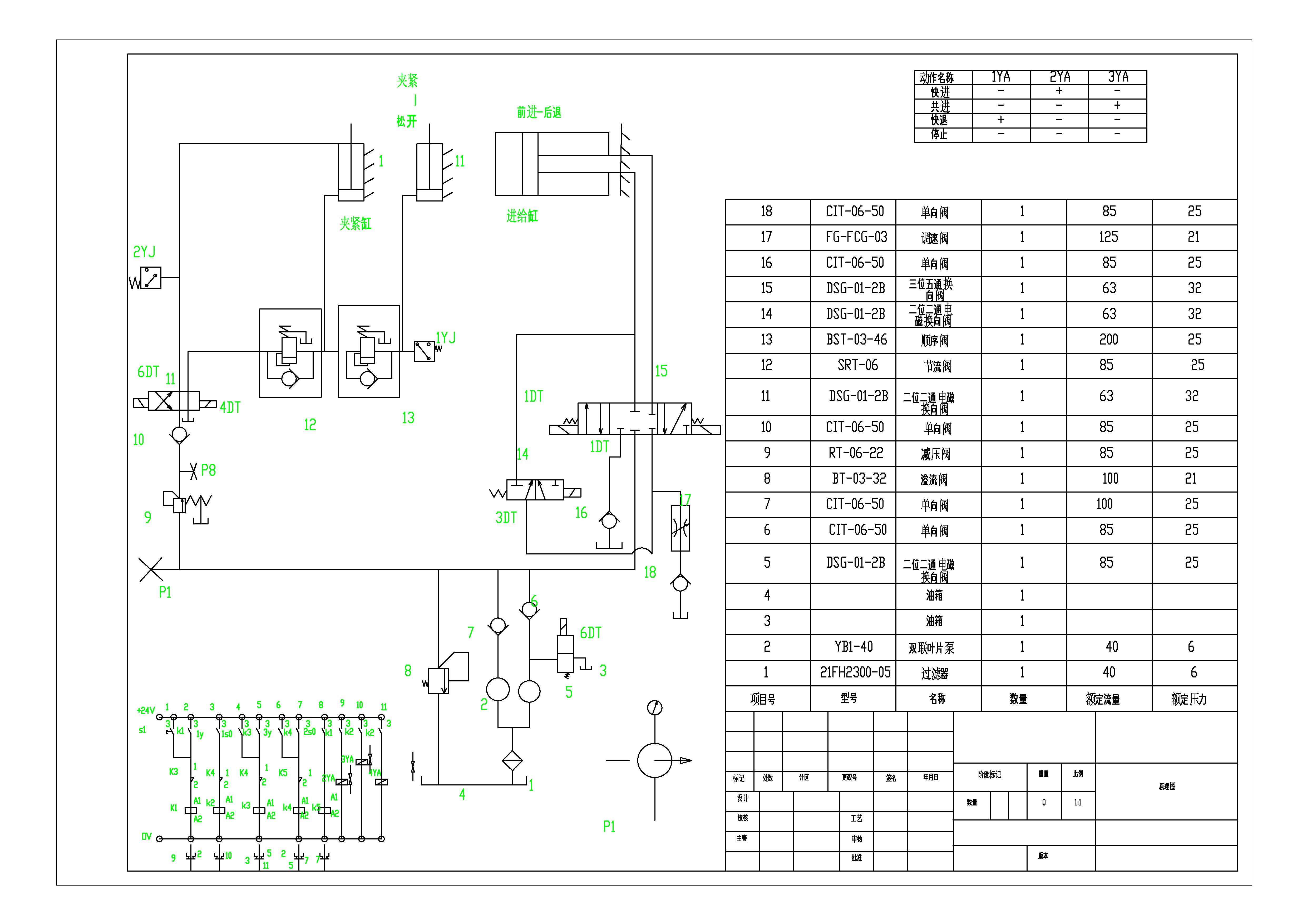
| 3 | 原理图.DWG | 已完成并打包 | 请下载最下面的压缩包 |
| 4 | 原理图.pdf | 已完成并打包 | 请下载最下面的压缩包 |
| 5 | 工况图.DWG | 已完成并打包 | 请下载最下面的压缩包 |
| 6 | 工况图.pdf | 已完成并打包 | 请下载最下面的压缩包 |
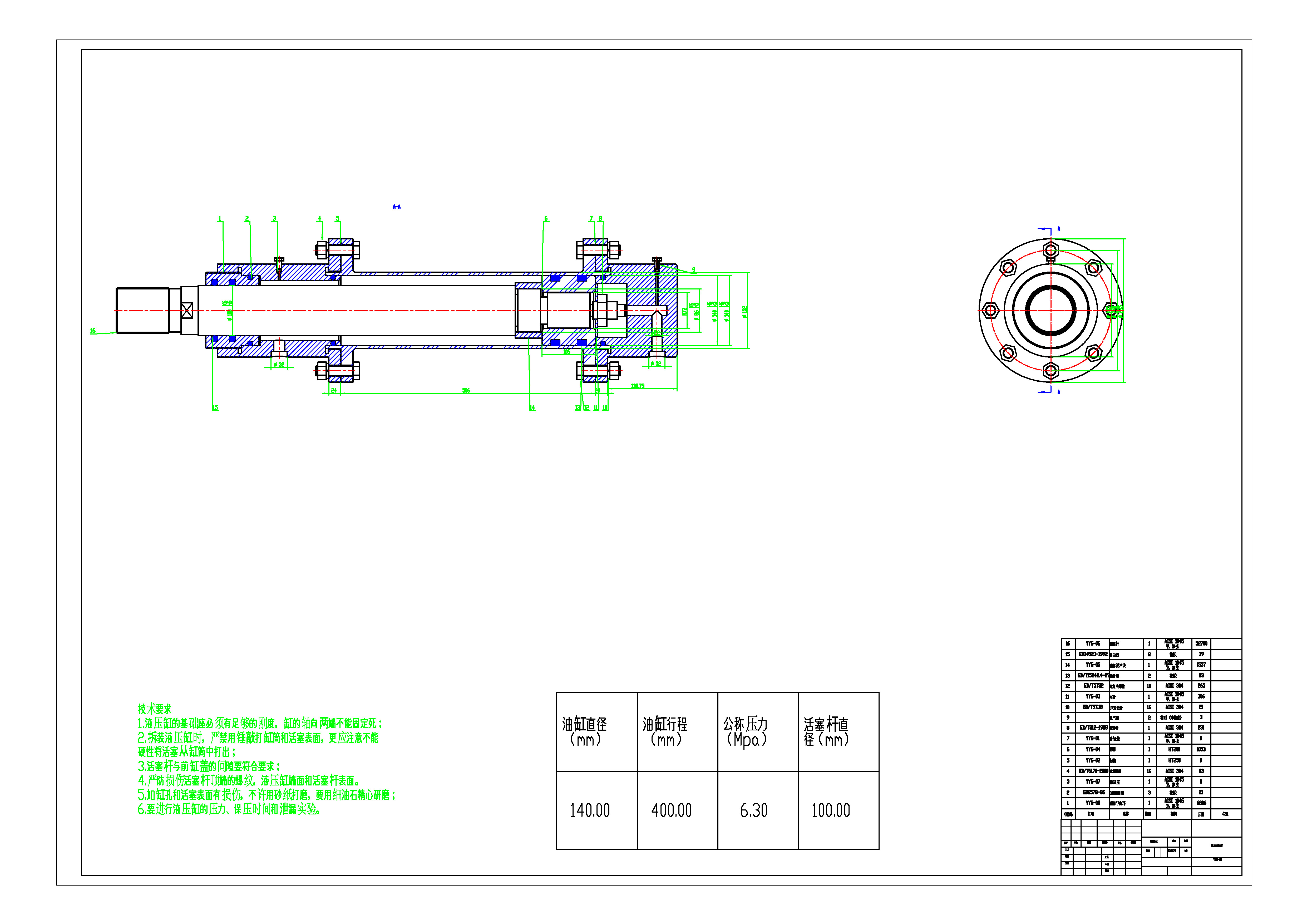
| 7 | 液压缸装配图.DWG | 已完成并打包 | 请下载最下面的压缩包 |
| 8 | 液压缸装配图.pdf | 已完成并打包 | 请下载最下面的压缩包 |
| 所有文件 | 可下载 | ||
| 外部工具 | 在线DWG(CAD文件)转PDF工具 |