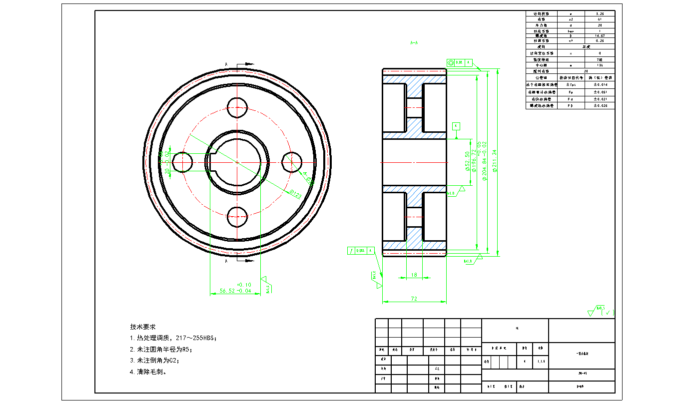
滚筒圆周力2500n,滚筒直径350mm,带速2.4m/s,工作班制双,使用期限8年 一级圆柱斜齿轮减速器 说+装+2零件(,齿轮图和轴的图)
| # | 名称 | 状态 | 操作 |
|---|---|---|---|
| 1 | PDF预览文件 | 可下载 | PDF文件1 |
| 2 | 一级圆柱齿轮减速器有V带 (1).docx | 已完成并打包 | 请下载最下面的压缩包 |
| 3 | 一级圆柱齿轮减速器有V带.DWG | 已完成并打包 | 请下载最下面的压缩包 |
| 4 | 一级大齿轮.DWG | 已完成并打包 | 请下载最下面的压缩包 |
| 5 | 输入轴.DWG | 已完成并打包 | 请下载最下面的压缩包 |
| 所有文件 | 可下载 | ||
| 外部工具 | 在线DWG(CAD文件)转PDF工具 |