设计说明+装配图+2零件图 2份 悬架和离合器 数据自定找数据相差大的 做,车型给备注下 https://www.autohome.com.cn/spec/71113/#pvareaid=6861994 https://product.360che.com/m614/153553_index.html
| # | 名称 | 状态 | 操作 |
|---|---|---|---|
| 1 | PDF预览文件 | 可下载 | PDF文件1 |
| 2 | PDF预览文件 | 可下载 | PDF文件2 |
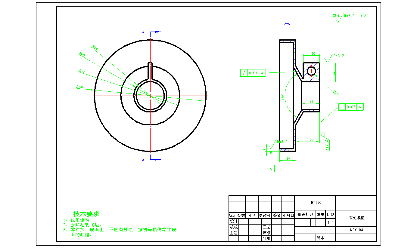
| 3 | 下支撑座.DWG | 已完成并打包 | 请下载最下面的压缩包 |
| 4 | 转向节.DWG | 已完成并打包 | 请下载最下面的压缩包 |
| 5 | 麦佛逊悬架.DWG | 已完成并打包 | 请下载最下面的压缩包 |
| 6 | 麦弗逊式悬架 (1).docx | 已完成并打包 | 请下载最下面的压缩包 |
| 7 | 推式双片离合器无环.DWG | 已完成并打包 | 请下载最下面的压缩包 |
| 8 | 推式膜片离合器 (1).docx | 已完成并打包 | 请下载最下面的压缩包 |
| 9 | 摩擦片.DWG | 已完成并打包 | 请下载最下面的压缩包 |
| 10 | 膜片弹簧自由状态.DWG | 已完成并打包 | 请下载最下面的压缩包 |
| 所有文件 | 可下载 | ||
| 外部工具 | 在线DWG(CAD文件)转PDF工具 |