20251206-21-减速器 说明书+装配图+2个零件 二级展开式圆柱齿轮减速器 圈住的是需要做的数据和传动方案
| # | 名称 | 状态 | 操作 |
|---|---|---|---|
| 1 | PDF预览文件 | 可下载 | PDF文件1 |
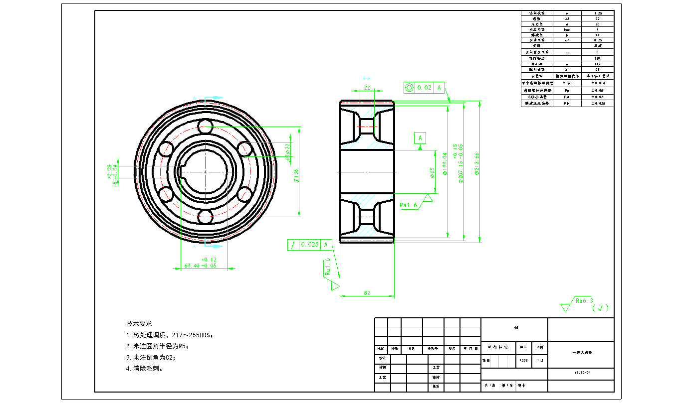
| 2 | 一级大齿轮.DWG | 已完成并打包 | 请下载最下面的压缩包 |
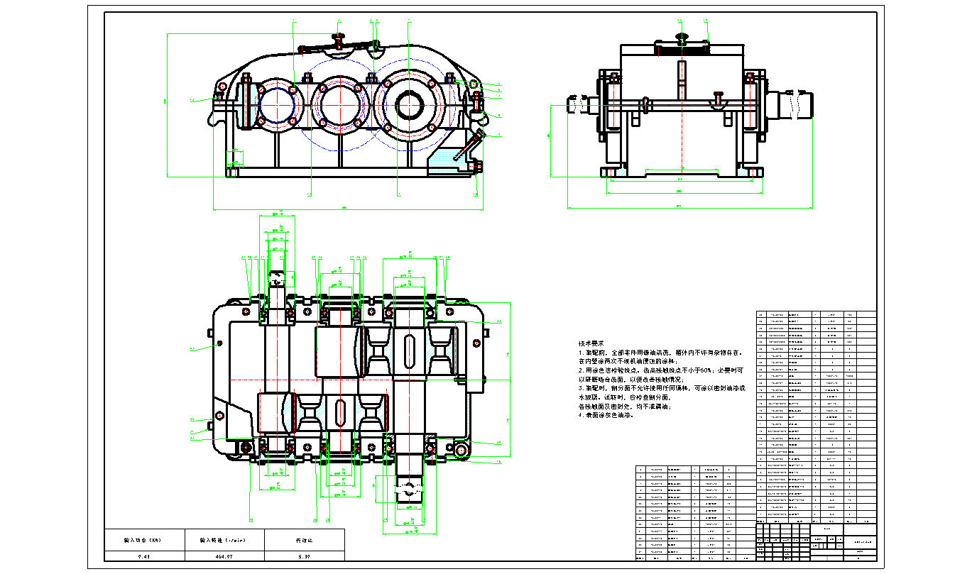
| 3 | 二级圆柱齿轮减速器.DWG | 已完成并打包 | 请下载最下面的压缩包 |
| 4 | 二级圆柱齿轮减速器(前置V带) (1).docx | 已完成并打包 | 请下载最下面的压缩包 |
| 5 | 输入轴.DWG | 已完成并打包 | 请下载最下面的压缩包 |
| 所有文件 | 可下载 | ||
| 外部工具 | 在线DWG(CAD文件)转PDF工具 |