奕帆工业
推广享折扣赚佣金
首页
全部商品
常见问题
注册/登录
主页
顶部
推广
咨询
20251208-29-离合器
发布时间:2025-12-10 09:00
预览信息
详细说明
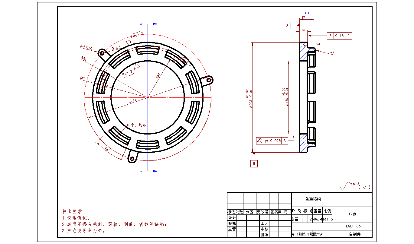
20251208-29-离合器 说明书+装配图+2个零件A2 膜片弹簧,和压盘 呢个数据是第38组哈。
文件列表
#
名称
状态
操作
1
PDF预览文件
可下载
PDF文件1
2
压盘.DWG
已完成并打包
请下载最下面的压缩包
3
拉式单片离合器.DWG
已完成并打包
请下载最下面的压缩包
4
膜片弹簧自由状态.DWG
已完成并打包
请下载最下面的压缩包
5
膜片离合器 (1).docx
已完成并打包
请下载最下面的压缩包
所有文件
可下载
输入提取码
或支付(30.0元)
购买
外部工具
在线DWG(CAD文件)转PDF工具