20251208-26-离合器 膜片弹簧离合器 说明书+装配图+2个零件 膜片弹簧或压盘 设计内容 (1)离合器装配图1张; (2)膜片弹簧或压盘等零件图2张; (3)编写设计说明书1份(5000~8000字)。 数据 驱动形式:4×2 前轮驱动 轴距:2400mm 整备质量:1330kg 最高车速:170 km/h 最大爬坡度:30% 最大功率/转速:5200kW/rpm 最大转矩/转速:4200N·m/rpm 换挡形式:手动 5 挡 满载同步附着系数:0.85 质心到后轴距离:0.6L
| # | 名称 | 状态 | 操作 |
|---|---|---|---|
| 1 | PDF预览文件 | 可下载 | PDF文件1 |
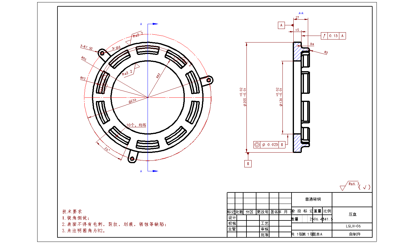
| 2 | 压盘.DWG | 已完成并打包 | 请下载最下面的压缩包 |
| 3 | 拉式单片离合器.DWG | 已完成并打包 | 请下载最下面的压缩包 |
| 4 | 膜片弹簧自由状态.DWG | 已完成并打包 | 请下载最下面的压缩包 |
| 5 | 膜片离合器 (1).docx | 已完成并打包 | 请下载最下面的压缩包 |
| 所有文件 | 可下载 | ||
| 外部工具 | 在线DWG(CAD文件)转PDF工具 |