20251220-19-液压闲鱼 液压:说+装+ 原理+工况+负载图 第三组数据
| # | 名称 | 状态 | 操作 |
|---|---|---|---|
| 1 | PDF预览文件 | 可下载 | PDF文件1 |
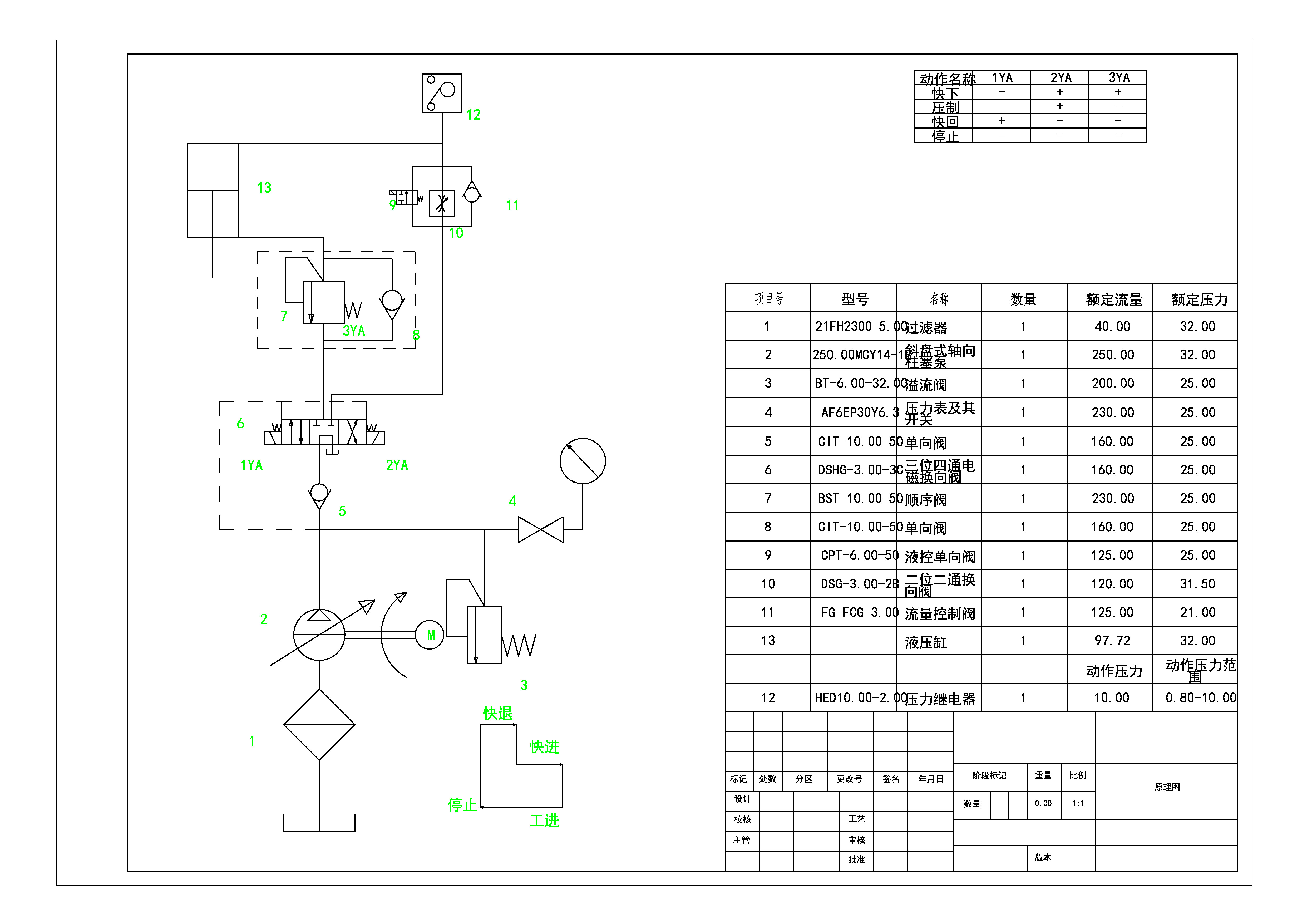
| 2 | 原理图.DWG | 已完成并打包 | 请下载最下面的压缩包 |
| 3 | 工况图.DWG | 已完成并打包 | 请下载最下面的压缩包 |
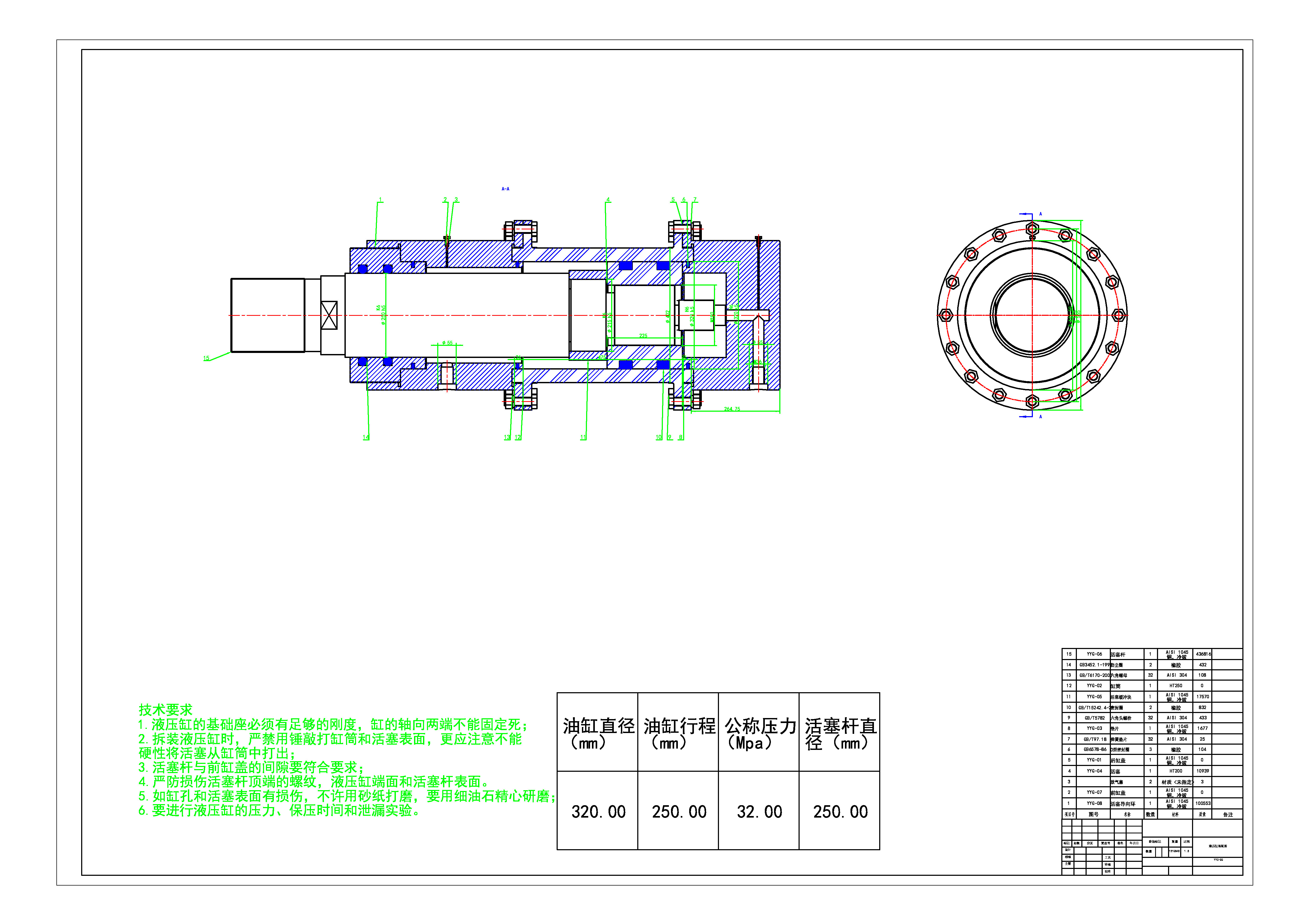
| 4 | 液压缸装配图.DWG | 已完成并打包 | 请下载最下面的压缩包 |
| 5 | 液压设计 (1).docx | 已完成并打包 | 请下载最下面的压缩包 |
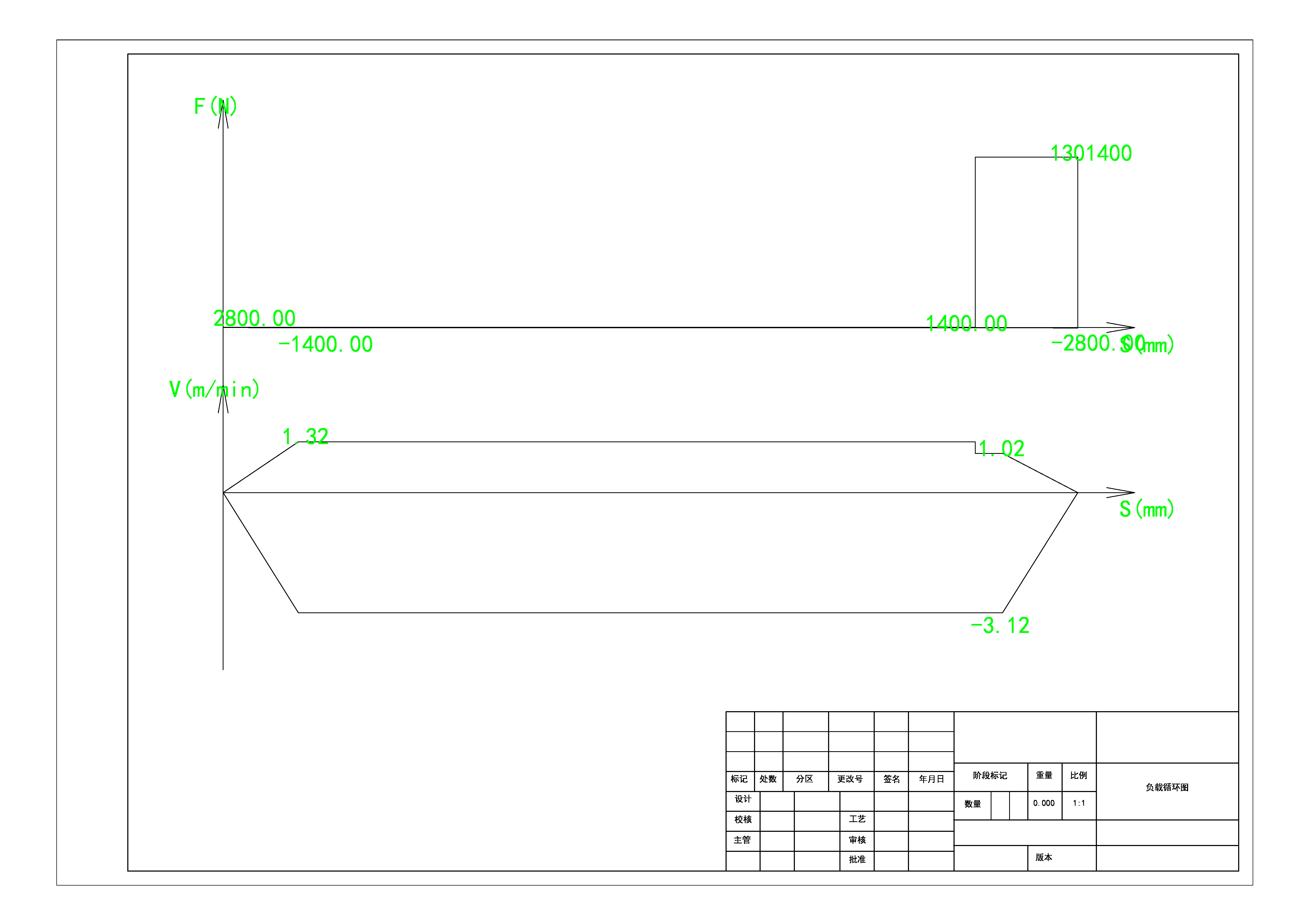
| 6 | 负载循环图.DWG | 已完成并打包 | 请下载最下面的压缩包 |
| 所有文件 | 可下载 | ||
| 外部工具 | 在线DWG(CAD文件)转PDF工具 |