黄 说+装 +原理 +2零件 (缸体,活塞 )(A3原理 手绘+装A1手绘 ) 万 说+装 +原理 +2零件(缸体,活塞 ) (A3原理 手绘+装A1手绘 ) 周 说+装 +原理 +2零件 (缸体,活塞 )(A3原理 手绘+装A1手绘 +2零件 A3手绘) 一共3份
| # | 名称 | 状态 | 操作 |
|---|---|---|---|
| 1 | PDF预览文件 | 可下载 | PDF文件1 |
| 2 | PDF预览文件 | 可下载 | PDF文件2 |
| 3 | PDF预览文件 | 可下载 | PDF文件3 |
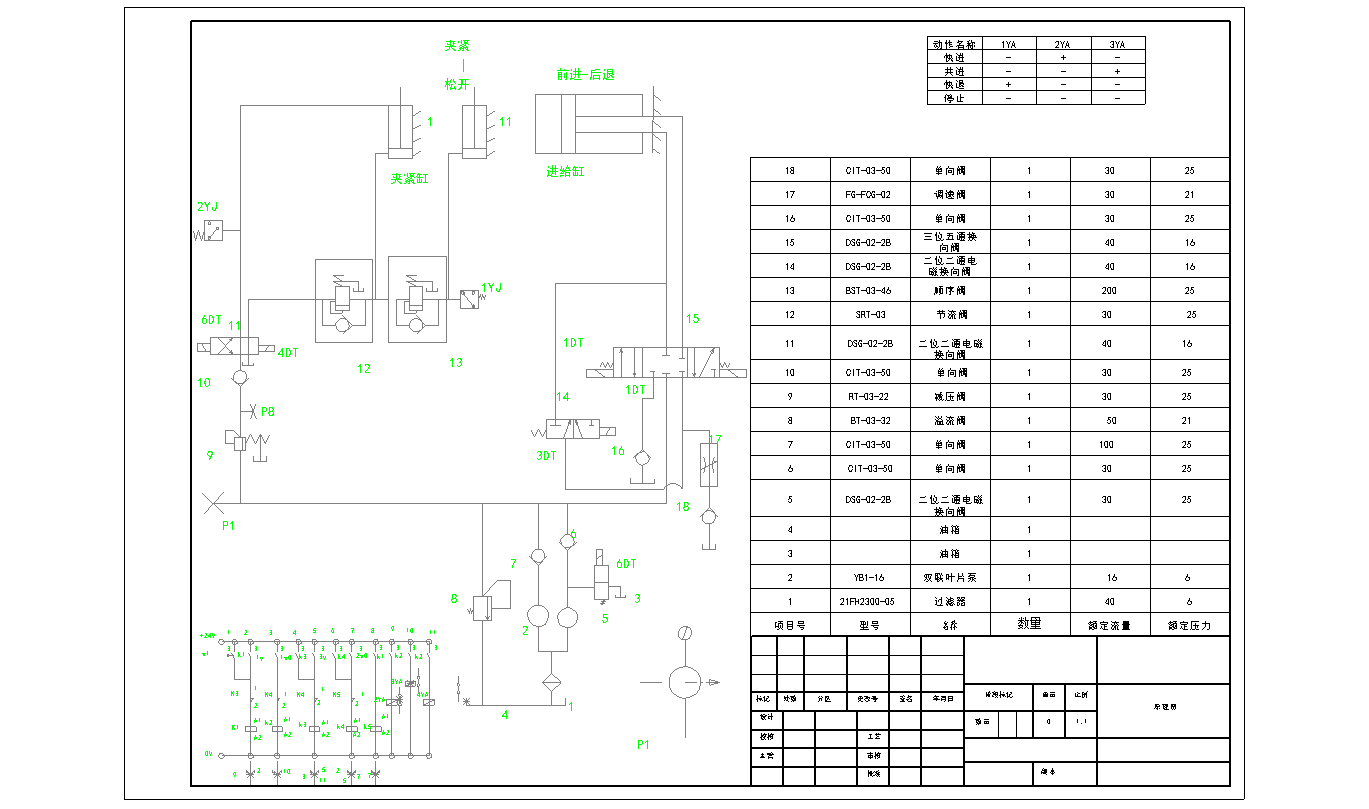
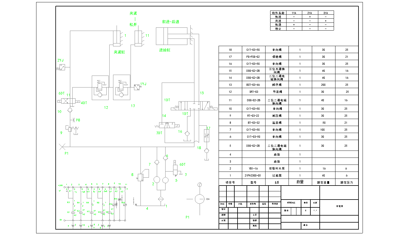
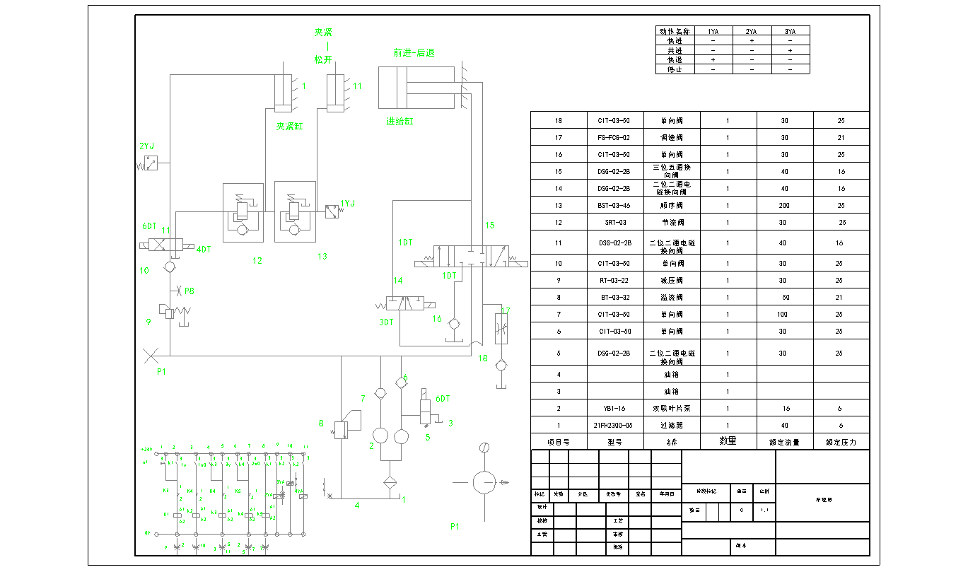
| 4 | 原理图.DWG | 已完成并打包 | 请下载最下面的压缩包 |
| 5 | 活塞.DWG | 已完成并打包 | 请下载最下面的压缩包 |
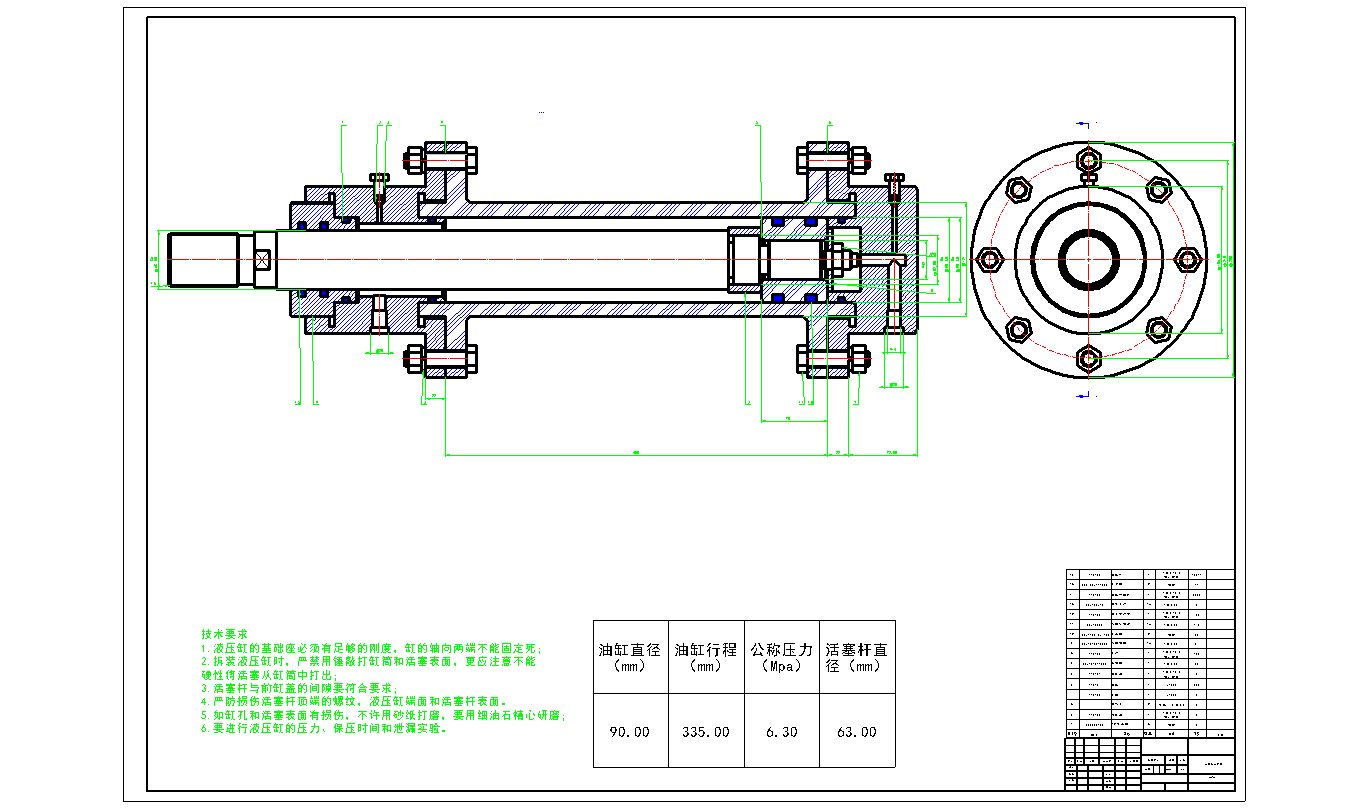
| 6 | 液压缸装配图.DWG | 已完成并打包 | 请下载最下面的压缩包 |
| 7 | 液压设计 (1).docx | 已完成并打包 | 请下载最下面的压缩包 |
| 8 | 缸筒.DWG | 已完成并打包 | 请下载最下面的压缩包 |
| 9 | 原理图.DWG | 已完成并打包 | 请下载最下面的压缩包 |
| 10 | 活塞.DWG | 已完成并打包 | 请下载最下面的压缩包 |
| 11 | 液压缸装配图.DWG | 已完成并打包 | 请下载最下面的压缩包 |
| 12 | 液压设计 (1).docx | 已完成并打包 | 请下载最下面的压缩包 |
| 13 | 缸筒.DWG | 已完成并打包 | 请下载最下面的压缩包 |
| 14 | 原理图.DWG | 已完成并打包 | 请下载最下面的压缩包 |
| 15 | 活塞.DWG | 已完成并打包 | 请下载最下面的压缩包 |
| 16 | 液压缸装配图.DWG | 已完成并打包 | 请下载最下面的压缩包 |
| 17 | 液压设计 (1).docx | 已完成并打包 | 请下载最下面的压缩包 |
| 18 | 缸筒.DWG | 已完成并打包 | 请下载最下面的压缩包 |
| 所有文件 | 可下载 | ||
| 外部工具 | 在线DWG(CAD文件)转PDF工具 |