汽车三轴式变速器 说+装+2零件(一张齿轮图,一张轴的图)比例必须是1:1 轴上那个键,不能是平键这个是顾客说的,我不懂,问下顾客吧
| # | 名称 | 状态 | 操作 |
|---|---|---|---|
| 1 | PDF预览文件 | 可下载 | PDF文件1 |
| 2 | 三轴四挡变速器.DWG | 已完成并打包 | 请下载最下面的压缩包 |
| 3 | 三轴四档变速器 (1).docx | 已完成并打包 | 请下载最下面的压缩包 |
| 4 | 二轴.DWG | 已完成并打包 | 请下载最下面的压缩包 |
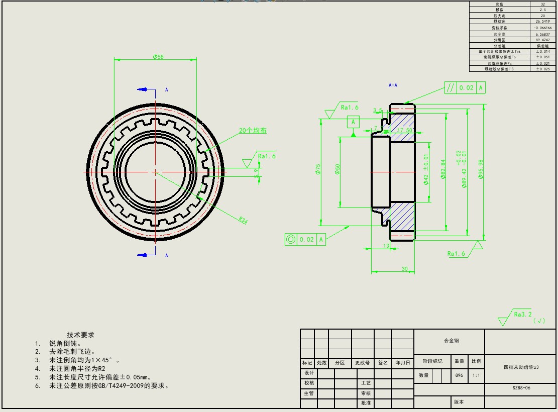
| 5 | 四挡从动齿轮z3.DWG | 已完成并打包 | 请下载最下面的压缩包 |
| 所有文件 | 可下载 | ||
| 外部工具 | 在线DWG(CAD文件)转PDF工具 |