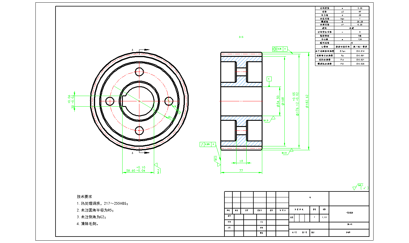
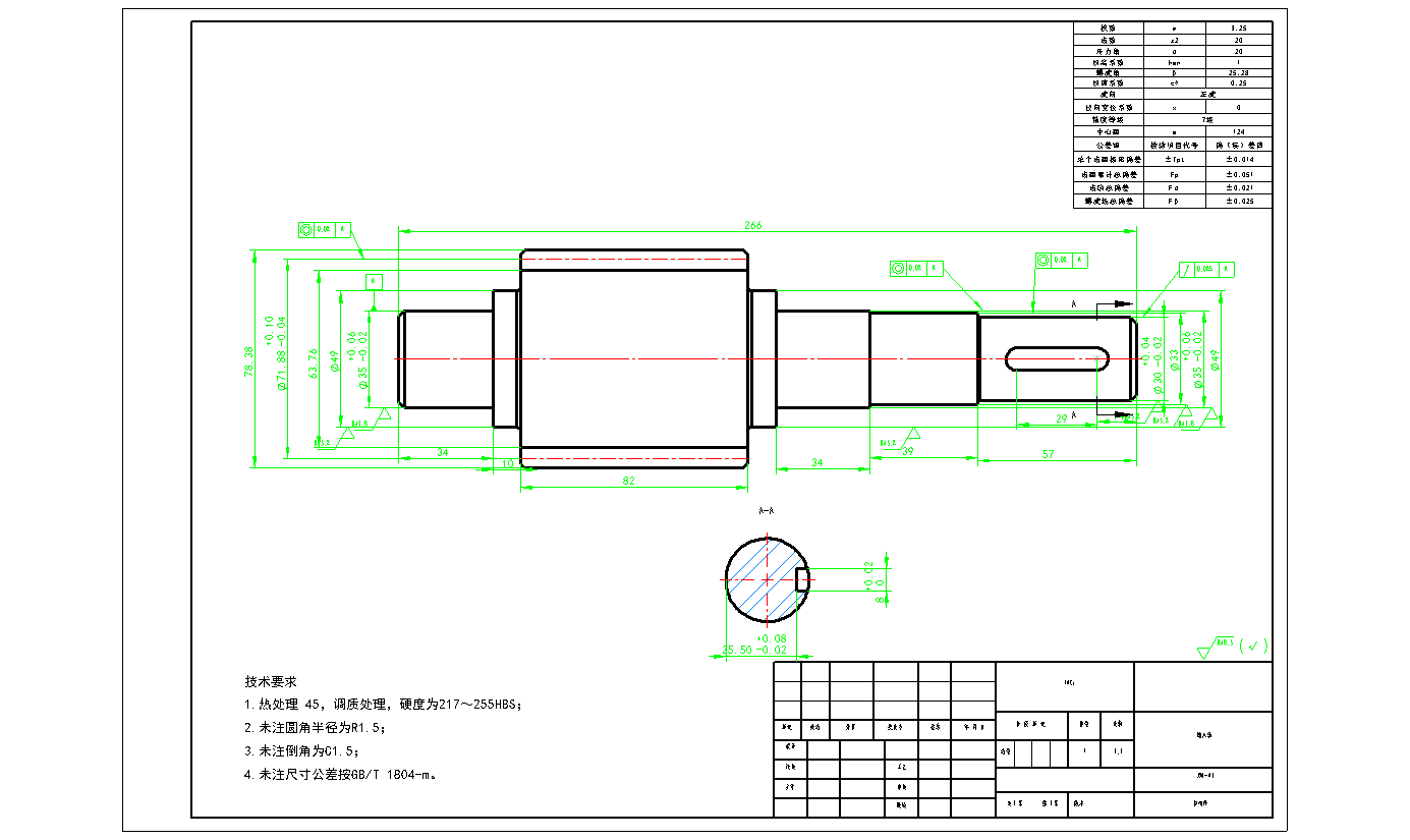
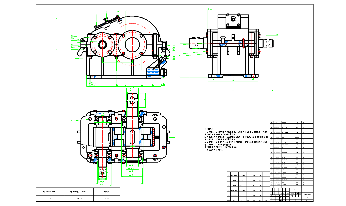
20251216-39-减速器 说明书+装配图+2个零件 我们老师要求带传动传动比比取2-3,齿轮传动小于4-5 我的初始数据是滚筒圆柱力2400N,滚筒直径300mm,带速1.3m/s,工作班制:双,使用年限6年 一级圆柱斜齿轮转速器
| # | 名称 | 状态 | 操作 |
|---|---|---|---|
| 1 | PDF预览文件 | 可下载 | PDF文件1 |
| 2 | 一级圆柱齿轮减速器有V带 (1).docx | 已完成并打包 | 请下载最下面的压缩包 |
| 3 | 一级圆柱齿轮减速器有V带.DWG | 已完成并打包 | 请下载最下面的压缩包 |
| 4 | 一级大齿轮.DWG | 已完成并打包 | 请下载最下面的压缩包 |
| 5 | 输入轴.DWG | 已完成并打包 | 请下载最下面的压缩包 |
| 所有文件 | 可下载 | ||
| 外部工具 | 在线DWG(CAD文件)转PDF工具 |